LABORATORIUM MASZYN ELEKTRYCZNYCH
|
|||
|
Badanie prądnicy synchronicznej |
Nr ćwiczenia: 6 |
|
|
|
|
|
|
2015/2016 |
Data wykonania: 18.03.2016 |
Ocena |
1. Dane znamionowe maszyn.
prądnica synchroniczna silmik prądu stałego
typ GBOD22B typ PCMB54B
Pn = 4 kW Pn = 11 kW
Un = 400 V Un = 220 V
nn = 3000 obr/min nn = 2850 obr/min
In = 7,2 A In = 57,2 A
Rfu = 1,38 If = 0,714 A
Rfv = 1,395
Rfv = 1,39
2. Pomiar strat mechanicznych prądnicy.
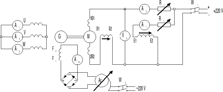
2.1 Układ połączeń.
2.2 Tabele pomiarowe.
Wyznaczenie strat mechanicznych prądnicy.
Iw |
I1 |
U2 |
I2 |
ΔPos |
Rik |
ΔUp |
Ps |
P2 |
ΔPm |
[A] |
[A] |
[V] |
[A] |
[W] |
[Ω] |
[V] |
[W] |
[W] |
[W] |
0 |
0,59 |
204 |
2,8 |
560 |
0,242 |
1 |
725,88 |
729,2 |
3,32 |
Ps = Δ Pos +I22ΣRik+2I2ΔUp = 725,88 W
P2 = U2I2 = 729,2 W
ΔPm = P2 - Ps = 3,32 W
Wyznaczanie charakterystyki biegu jałowego.
IW |
UUV |
UVW |
UWU |
U0 |
U02 |
I2 |
PS |
၄PS |
၄POS |
၄PO |
[A] |
[V] |
[V] |
[V] |
[V] |
[V2] |
[A] |
[W] |
[W] |
[W] |
[W] |
0,70 |
55 |
65 |
65 |
140 |
19 600 |
3,15 |
693 |
663 |
654 |
30 |
1,40 |
105 |
115 |
120 |
270 |
72 900 |
3,17 |
697 |
663 |
654 |
35 |
2,10 |
140 |
155 |
155 |
355 |
126 025 |
3,20 |
704 |
663 |
654 |
41 |
2,80 |
155 |
175 |
175 |
400 |
160 000 |
3,30 |
726 |
663 |
654 |
63 |
3,50 |
170 |
190 |
195 |
445 |
198 025 |
3,35 |
737 |
663 |
654 |
74 |
4,20 |
180 |
200 |
205 |
470 |
220 900 |
3,40 |
748 |
664 |
654 |
84 |
4,90 |
180 |
210 |
210 |
490 |
240 100 |
3,47 |
763 |
664 |
654 |
100 |
5,60 |
195 |
215 |
220 |
510 |
260 100 |
3,50 |
770 |
664 |
654 |
106 |
6,30 |
200 |
220 |
225 |
525 |
275 625 |
3,58 |
788 |
664 |
654 |
123 |
7,00 |
205 |
225 |
230 |
540 |
291 600 |
3,60 |
792 |
664 |
654 |
128 |
7,00 |
205 |
230 |
230 |
525 |
275 625 |
|
|
|
|
|
6,30 |
200 |
225 |
225 |
520 |
270 400 |
|
|
|
|
|
5,60 |
195 |
215 |
220 |
210 |
44 100 |
|
|
|
|
|
4,90 |
190 |
210 |
215 |
500 |
250 000 |
|
|
|
|
|
4,20 |
285 |
205 |
210 |
480 |
230 400 |
|
|
|
|
|
3,50 |
175 |
190 |
195 |
445 |
198 025 |
|
|
|
|
|
2,80 |
160 |
180 |
185 |
415 |
172 225 |
|
|
|
|
|
2,10 |
145 |
160 |
165 |
370 |
136 900 |
|
|
|
|
|
1,40 |
110 |
120 |
120 |
270 |
72 900 |
|
|
|
|
|
0,70 |
55 |
60 |
60 |
140 |
19 600 |
|
|
|
|
|
Ps = U2I2 = 748 W
ΔPs=ΔPos+I22ΣRik+2I2ΔUp= 664 W
ΔPo = Ps - ΔPs = 84 W

Rys. 1 Charakterystyka biegu jałowego prądnicy synchronicznej Uo = f(Iw)

Rys. 2 Charakterystyka strat jałowych prądnicy synchronicznej.
3. Próba zwarcia pomiarowego.
3.1 Układ połączeń.

3.2 Tabela pomiarowa.
I1 = 0,59 A; U2 = 220 V; ΔPm = 3,32 W
Iw |
I4 |
I5 |
I6 |
Iz |
I2 |
Ps |
၄Pos |
၄Ps |
၄Pp |
၄Pobc |
၄Pu |
၄Pd |
[A] |
[A] |
[A] |
[A] |
[A] |
[A] |
[W] |
[W] |
[W] |
[W] |
[W] |
[W] |
[W] |
3,35 |
10 |
10 |
10 |
10 |
5,2 |
1144 |
654 |
671 |
473 |
470 |
102,6 |
367 |
3 |
9 |
9 |
9 |
9 |
4,8 |
1056 |
654 |
669 |
387 |
384 |
85,8 |
298 |
2,7 |
8 |
8 |
8 |
8 |
4,6 |
1012 |
654 |
668 |
344 |
340 |
70,5 |
270 |
2,35 |
7 |
7 |
7 |
7 |
4,1 |
902 |
654 |
666 |
236 |
232 |
56,6 |
176 |
2 |
4 |
4 |
4 |
4 |
3,9 |
858 |
654 |
665 |
193 |
189 |
23,6 |
166 |
1,65 |
5 |
5 |
5 |
5 |
3,7 |
814 |
654 |
665 |
149 |
146 |
33,2 |
113 |
1,35 |
4 |
4 |
4 |
4 |
3,5 |
770 |
654 |
664 |
106 |
103 |
23,6 |
79 |
1 |
3 |
3 |
3 |
3 |
3,4 |
748 |
654 |
664 |
84 |
81 |
15,5 |
66 |
0,7 |
2 |
2 |
2 |
2 |
3,2 |
704 |
654 |
663 |
41 |
38 |
8,9 |
29 |
Iz = = 3,2 [A]
Ps = U2I2 = 704 W
Ps = Pos + Rth +2I2Up = 663 W
Pp = Ps - Ps = 41 W
Pobc = Pp - Pm = 38 W
Pu = 3*(Iz2R1f + UpIz) = 8,9 W
Pd = Pobc - Pu = 29 W
Rys. 3 Charakterystyka Iz=f(Iw)

Rys. 4 Charakterystyka ΔPobc=f(Iz)
4. Synchronizacja prądnicy z siecią.
4.1 Układ połączeń.
4.2 Tabele pomiarowe.
Obciążenie indukcyjne.
IW |
I4 |
I5 |
I6 |
U1 = U2 |
P1 |
P2 |
P |
cos |
[A] |
[A] |
[A] |
[A] |
[V] |
[W] |
[W] |
[W] |
- |
7,5 |
7,2 |
7,2 |
7,2 |
|
50 |
50 |
0 |
0 |
7 |
7,2 |
7,2 |
7,2 |
430 |
50 |
50 |
0 |
0 |
6,5 |
7,2 |
7,2 |
7,2 |
415 |
49 |
49 |
0 |
0 |
6 |
7,2 |
7,2 |
7,2 |
400 |
46 |
46 |
0 |
0 |
5,5 |
7,2 |
7,2 |
7,2 |
380 |
44 |
44 |
0 |
0 |
5 |
7,2 |
7,2 |
7,2 |
360 |
41 |
41 |
0 |
0 |
4,5 |
7,2 |
7,2 |
7,2 |
330 |
40 |
40 |
0 |
0 |
4 |
7,2 |
7,2 |
7,2 |
280 |
32 |
32 |
0 |
0 |
3,5 |
7,2 |
7,2 |
7,2 |
230 |
26 |
26 |
0 |
0 |
3 |
7,2 |
7,2 |
7,2 |
140 |
17 |
17 |
0 |
0 |
Obciążenie pojemnościowe.
IW |
I4 |
I5 |
I6 |
U1 = U2 |
P1 |
P2 |
P |
cos |
[A] |
[A] |
[A] |
[A] |
[V] |
[W] |
[W] |
[W] |
- |
0 |
7,2 |
7,2 |
7,2 |
415 |
50 |
50 |
0 |
0 |
0,5 |
7,2 |
7,2 |
7,2 |
450 |
53 |
53 |
0 |
0 |
1 |
7,2 |
7,2 |
7,2 |
480 |
56 |
56 |
0 |
0 |
1,5 |
7,2 |
7,2 |
7,2 |
500 |
58 |
58 |
0 |
0 |
2 |
7,2 |
7,2 |
7,2 |
520 |
60 |
60 |
0 |
0 |
2,5 |
7,2 |
7,2 |
7,2 |
540 |
61 |
61 |
0 |
0 |
Rys. 5 Charakterystyka obciążenia prądnicy synchronicznej U=f(Iw)
5. Wnioski.
Przed przystąpieniem do ćwiczenia należy prądnice zsynchronizować z siecią, sprawdzić częstotliwość napięcia prądnicy i sieci, kolejność faz oraz kąt rozchylenia wskazów napięć prądnicy i sieci.
Na podstawie przeprowadzonych badań możemy stwierdzić, iż prądnica synchroniczna doskonale nadaje się do współpracy z siecią. Posiada ona możliwość dokładnej synchronizacji z siecią energetyczną oraz może pracować jako kompensator mocy biernej (niezbędnej do przesyłania energii oraz niezbędnej do pracy urządzeń o cosϕ<1).



R
S
T

RI
V1
V2
W1
W2
A6
A5
A4
W
V
U
V0
