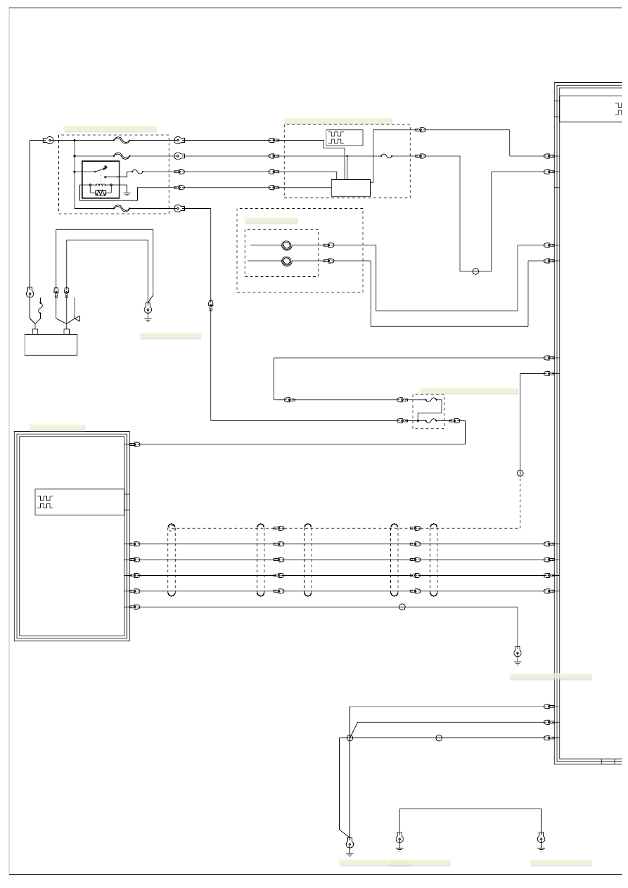
MND4 system audio Premium Sound System

background image

G1D134-A-1

C2ME03-B-2

C2ME03-C-6

C2LS41-12

C2ME03-B-8

C2LS41-11

C2ME03-B-6

C1BP02-C-15

C2ME03-A-13

C2ME03-A-12

C2ME03-A-11

C1BP02-A-63

C1BB01-A-98

C1BP02-G-1

C1BP02-G-2

C1BP02-A-45

C1BB01-A-107

C2ME03-A-15

C1BP02-C-65

C4BR02-C-323

C4BR02-C-330

C12-CD-1

C2ME03-B-10

C2ME03-B-9

C2ME03-B-4

C2ME03-B-3

C4ME42-B-9

C4ME42-B-5

C4ME42-B-6

C4ME42-B-11

C4ME42-B-12

C4ME42-B-3

C23-LM-10

C23-LM-10

C23-LM-8

C23-LM-9

C23-LM-11

C23-LM-12

C23-LM-12

C23-LM-9

C23-LM-11

C23-LM-8

C9MM22-A-1

C9ME36-1

G1D134-B-1

C23-AB-7

ANTENNA
AMPLIFIER
MODULE

C4ME35-A-1

C4ME35-B-1

ANTENNA
AMPLIFIER
MODULE

C44-MN-14

C2ME03-G-10

C4BR02-C-306

C23-CD-11

C2ME03-G-3

5Door

Wagon

OPTIONAL

NAVIGATION

LOW LEVEL

CLOCK SPRING CONNECTION

LEFT FRONT SPEAKER +

LEFT FRONT SPEAKER -

LEFT REAR SPEAKER +

LEFT REAR SPEAKER -

RIGHT FRONT SPEAKER +

RIGHT FRONT SPEAKER -

RIGHT REAR SPEAKER +

RIGHT REAR SPEAKER -

REMOTE CONTROL +

REMOTE CONTROL -

VEHICLE ALARM SYS.

BATTERY

KEY GND

POWER GND

ILL.

MM_CAN_HIGH

MM_CAN_LOW

AUDIO GND

AM/FM +

AM/FM -

GPS+

GPS-

SW ANTENNA AMPLIFIER PWR

AUX L-

AUX L+

AUX R+

AUX R-

C4-1

RSE

L+

C4-7

RSE

L-

C9-2

SUBW

OOFER

2-

C9-5

FL TWEETER +

C9-7

SUBW

OOFER

2+

C9-10

PWR

C9-1

SUBW

OOFER

1-

C9-6

SUBW

OOFER

1+

C9-3
GND

C9-8

FR TWEETER -

C9-4

FL TWEETER -

C9-9

FR TWEETER +

CAN

CLOCK

ONLY DISPLAY

A 1-8=C1=C2ME03-D

A 9-16=C2=C2ME03-A

B = C3=C2ME03-B

C = C4=C2ME03-C

D = C9 = C2ME03-G

2ME03

1D108

G1D108-A

FUSE

(-)

(+)

BATTERY

C3-1

MAIN_SUPPLY

C660-1

F17_60A

C661-1

F18_60A

C2-98

F41_20A

C663-1

F20_60A

R7_1

C2-107

F41

F17

F18

F20

R7

5

3

1

2

1BB01

KL30 B_SUPPLY
C5-1

KL30 A_SUPPLY
C5-2

KL15 EJB RELAY LOGIC
C1-45

C3-15

RADIO ANTITHEFT IN

ICM+IAM,AUDIO 30 FEED SUPPLY

C3-65

KL15 RELAY SUPPLY EJB
C1-63

CAN

internal HW

F21

1BP02

G2D114

RADIO REMOTE CONT-

RADIO REMOTE CONT+

2LS41

SP303

C1BB03-H-1

C1BB03-G-1

C1DC02-A-1

C1BB01-B-1

SP558

DME37C

IBT

AB

14401

0.50

2TBD

OG-GN

RME24A

BU-WH

2UAY 0.13

14401

IGEAB

VME14A

GY-YE

2UAY 0.13

14401

IGEAB

CME03A
14401

0.35

2TBD

YE-GY

HNAAD

CBB41A

BU

2TBD 1.5

14K733

MAIN

SBB18A

YE

2TBD 6.0

14K733

MAIN

SBB17A

MAIN

RD

2TBD 6.0

14K733

SDC02A

MAIN

RD

3TBD

25.0

14K733

CDC01A

MAIN

GN-VT

2TBD 0.50

14K733

SBP06D

ICF

AA

14401

1.5

2TBD

BN-RD

SBP06E

ICF

AA

14401

1.5

2TBD

BN-RD

C1BB03-K-1

SBB20G

14K733

6.0

2TBD

GN-RD

EJB_HIGH

SBB20L

RJB_3

14014

6.0

2TBD

GN-RD

C_SBR05AA

IBPAD_345

14014

GY-RD

2TBD 0.50

FC5/7.5

FC10/10A

4BR02

RME16BB

IBPAD_4DR

14014

0.35

SX

YE-GY

RME16A

YE-GY

SX 0.35

14401

IBPAD

RME15BB

IBPAD_4DR

VT-GY

14014

0.35

SX

RME15A

SX 0.35

14401

VT-GY

IBPAD

VME16BB

IBPAD_4DR

GY-RD

SX 0.35

14014

VME16A
14401

0.35

SX

GY-RD

IBPAD

VME15BB

IBPAD_4DR

14014

0.35

SX

GN-BK

VME15A

GN-BK

SX 0.35

14401

IBPAD

DME37D

-

SX SHLD

14401

IBPAD

SP388

3D135

G3D135

GD135G

BK-GY

2TBD 1.0

14014

MAIN

POWER

GND

STEREO LEFT +

STEREO RIGHT +

MM_CAN_LOW

MM_CAN_HIGH

STEREO RIGHT -

STEREO LEFT -

CAN

4ME42

RME15BA

IBPAD_345

VT-GY

14014

0.35

SX

VME15BA

IBPAD_345

14014

0.35

SX

GN-BK

VME16BA

IBPAD_345

GY-RD

SX 0.35

14014

RME16BA

IBPAD_345

14014

0.35

SX

YE-GY

GD135MA

BK-GY

2TBD0.35

14014

IBPAD_345

DME37EA

-

IBPAD_345

SX SHLD

14014

GPS_1+

GPS_1_SHD

VME35

0.50

WX

DME35

0.50

WX

GD103D

14401

1.5

2TBD

BK-B

U

ICEEG_CD345

SP197

DME37EB
14014

SHLD

SX

IBPAD_4DR

-

GD108A

BK

3TBD 35.0

14301

EN_0D

GD108A_1

BK

3TBD 25.0

14301

EN_0G

GD103B

ICFAA

14401

1.0

2TBD

BK-BU

SP306

GD103A

BK-BU

2TBD 1.0

14401

ICFAA

GD103C

ICFAA

BK-BU

2TBD 1.0

14401

CME36C
14401

0.35

2TBD

GN-VT

CD345

CME36D

4DOOR_WAGON

GN-VT

2TBD 1.0

14014

CME36F
17N400

1.0

2TBD

GN-VT

5DOOR

CME36E

5DOOR

GN-VT

2TBD 0.35

14014

G4D317-A

4D317

G4D317-B

4D317

GD317A
17N400

2.5

2TBD

BK-BU

5DOOR

C_SBR10A

YE-RD

2TBD 1.5

14014

ICEAK

C_SBR10B

YE-RD

2TBD 1.5

14401

ICEAK

GD103D

A

14401

2.5

2TBD

BK-B

U

ICEAK_CD345

GD103N

ICEAK

BK-BU

2TBD 1.5

14401

BODY BATTERY GROUND

Skrzynka rozdzielcza zasilania

Centralna skrzynka połcz eniowa (CJB)

IP BRACKET RADIO GROUND

Moduł kierownicy

Antena zespołu audio

Tylna skrzynka przyłcz owa (RJB)

LEFT A-POST 3 SIGNAL GROUND

Antena telefonu komórkowego

Zmieniacz płyt CD

BODY SUPPORT GROUND

BODY SUPPORT GROUND

--1 10-08-2010

2011.0 Mondeo (CA2-345) ,

(G1357100) 10-08-2010

2011.0 Mondeo (CA2-345) ,

background image

G1D134-A-1

C2ME03-B-2

C2ME03-C-6

C2LS41-12

C2ME03-B-8

C2LS41-11

C2ME03-B-6

C1BP02-C-15

C2ME03-A-13

C2ME03-A-12

C2ME03-A-11

C1BP02-A-63

C1BB01-A-98

C1BP02-G-1

C1BP02-G-2

C1BP02-A-45

C1BB01-A-107

C2ME03-A-15

C1BP02-C-65

C4BR02-C-323

C4BR02-C-330

C12-CD-1

C2ME03-B-10

C2ME03-B-9

C2ME03-B-4

C2ME03-B-3

C4ME42-B-9

C4ME42-B-5

C4ME42-B-6

C4ME42-B-11

C4ME42-B-12

C4ME42-B-3

C23-LM-10

C23-LM-10

C23-LM-8

C23-LM-9

C23-LM-11

C23-LM-12

C23-LM-12

C23-LM-9

C23-LM-11

C23-LM-8

C9MM22-A-1

C9ME36-1

G1D134-B-1

C23-AB-7

ANTENNA
AMPLIFIER
MODULE

C4ME35-A-1

C4ME35-B-1

ANTENNA
AMPLIFIER
MODULE

C44-MN-14

C2ME03-G-10

C4BR02-C-306

C23-CD-11

C2ME03-G-3

5Door

Wagon

OPTIONAL

NAVIGATION

LOW LEVEL

CLOCK SPRING CONNECTION

LEFT FRONT SPEAKER +

LEFT FRONT SPEAKER -

LEFT REAR SPEAKER +

LEFT REAR SPEAKER -

RIGHT FRONT SPEAKER +

RIGHT FRONT SPEAKER -

RIGHT REAR SPEAKER +

RIGHT REAR SPEAKER -

REMOTE CONTROL +

REMOTE CONTROL -

VEHICLE ALARM SYS.

BATTERY

KEY GND

POWER GND

ILL.

MM_CAN_HIGH

MM_CAN_LOW

AUDIO GND

AM/FM +

AM/FM -

GPS+

GPS-

SW ANTENNA AMPLIFIER PWR

AUX L-

AUX L+

AUX R+

AUX R-

C4-1

RSE

L+

C4-7

RSE

L-

C9-2

SUBW

OOFER

2-

C9-5

FL TWEETER +

C9-7

SUBW

OOFER

2+

C9-10

PWR

C9-1

SUBW

OOFER

1-

C9-6

SUBW

OOFER

1+

C9-3
GND

C9-8

FR TWEETER -

C9-4

FL TWEETER -

C9-9

FR TWEETER +

CAN

CLOCK

ONLY DISPLAY

A 1-8=C1=C2ME03-D

A 9-16=C2=C2ME03-A

B = C3=C2ME03-B

C = C4=C2ME03-C

D = C9 = C2ME03-G

2ME03

1D108

G1D108-A

FUSE

(-)

(+)

BATTERY

C3-1

MAIN_SUPPLY

C660-1

F17_60A

C661-1

F18_60A

C2-98

F41_20A

C663-1

F20_60A

R7_1

C2-107

F41

F17

F18

F20

R7

5

3

1

2

1BB01

KL30 B_SUPPLY
C5-1

KL30 A_SUPPLY
C5-2

KL15 EJB RELAY LOGIC
C1-45

C3-15

RADIO ANTITHEFT IN

ICM+IAM,AUDIO 30 FEED SUPPLY

C3-65

KL15 RELAY SUPPLY EJB
C1-63

CAN

internal HW

F21

1BP02

G2D114

RADIO REMOTE CONT-

RADIO REMOTE CONT+

2LS41

SP303

C1BB03-H-1

C1BB03-G-1

C1DC02-A-1

C1BB01-B-1

SP558

DME37C

IBT

AB

14401

0.50

2TBD

OG-GN

RME24A

BU-WH

2UAY 0.13

14401

IGEAB

VME14A

GY-YE

2UAY 0.13

14401

IGEAB

CME03A
14401

0.35

2TBD

YE-GY

HNAAD

CBB41A

BU

2TBD 1.5

14K733

MAIN

SBB18A

YE

2TBD 6.0

14K733

MAIN

SBB17A

MAIN

RD

2TBD 6.0

14K733

SDC02A

MAIN

RD

3TBD

25.0

14K733

CDC01A

MAIN

GN-VT

2TBD 0.50

14K733

SBP06D

ICF

AA

14401

1.5

2TBD

BN-RD

SBP06E

ICF

AA

14401

1.5

2TBD

BN-RD

C1BB03-K-1

SBB20G

14K733

6.0

2TBD

GN-RD

EJB_HIGH

SBB20L

RJB_3

14014

6.0

2TBD

GN-RD

C_SBR05AA

IBPAD_345

14014

GY-RD

2TBD 0.50

FC5/7.5

FC10/10A

4BR02

RME16BB

IBPAD_4DR

14014

0.35

SX

YE-GY

RME16A

YE-GY

SX 0.35

14401

IBPAD

RME15BB

IBPAD_4DR

VT-GY

14014

0.35

SX

RME15A

SX 0.35

14401

VT-GY

IBPAD

VME16BB

IBPAD_4DR

GY-RD

SX 0.35

14014

VME16A
14401

0.35

SX

GY-RD

IBPAD

VME15BB

IBPAD_4DR

14014

0.35

SX

GN-BK

VME15A

GN-BK

SX 0.35

14401

IBPAD

DME37D

-

SX SHLD

14401

IBPAD

SP388

3D135

G3D135

GD135G

BK-GY

2TBD 1.0

14014

MAIN

POWER

GND

STEREO LEFT +

STEREO RIGHT +

MM_CAN_LOW

MM_CAN_HIGH

STEREO RIGHT -

STEREO LEFT -

CAN

4ME42

RME15BA

IBPAD_345

VT-GY

14014

0.35

SX

VME15BA

IBPAD_345

14014

0.35

SX

GN-BK

VME16BA

IBPAD_345

GY-RD

SX 0.35

14014

RME16BA

IBPAD_345

14014

0.35

SX

YE-GY

GD135MA

BK-GY

2TBD0.35

14014

IBPAD_345

DME37EA

-

IBPAD_345

SX SHLD

14014

GPS_1+

GPS_1_SHD

VME35

0.50

WX

DME35

0.50

WX

GD103D

14401

1.5

2TBD

BK-B

U

ICEEG_CD345

SP197

DME37EB
14014

SHLD

SX

IBPAD_4DR

-

GD108A

BK

3TBD 35.0

14301

EN_0D

GD108A_1

BK

3TBD 25.0

14301

EN_0G

GD103B

ICFAA

14401

1.0

2TBD

BK-BU

SP306

GD103A

BK-BU

2TBD 1.0

14401

ICFAA

GD103C

ICFAA

BK-BU

2TBD 1.0

14401

CME36C
14401

0.35

2TBD

GN-VT

CD345

CME36D

4DOOR_WAGON

GN-VT

2TBD 1.0

14014

CME36F
17N400

1.0

2TBD

GN-VT

5DOOR

CME36E

5DOOR

GN-VT

2TBD 0.35

14014

G4D317-A

4D317

G4D317-B

4D317

GD317A
17N400

2.5

2TBD

BK-BU

5DOOR

C_SBR10A

YE-RD

2TBD 1.5

14014

ICEAK

C_SBR10B

YE-RD

2TBD 1.5

14401

ICEAK

GD103D

A

14401

2.5

2TBD

BK-B

U

ICEAK_CD345

GD103N

ICEAK

BK-BU

2TBD 1.5

14401

BODY BATTERY GROUND

Skrzynka rozdzielcza zasilania

Centralna skrzynka połcz eniowa (CJB)

IP BRACKET RADIO GROUND

Moduł kierownicy

Antena zespołu audio

Tylna skrzynka przyłcz owa (RJB)

LEFT A-POST 3 SIGNAL GROUND

Antena telefonu komórkowego

Zmieniacz płyt CD

BODY SUPPORT GROUND

BODY SUPPORT GROUND

--2 10-08-2010

2011.0 Mondeo (CA2-345) ,

(G1357100) 10-08-2010

2011.0 Mondeo (CA2-345) ,

background image

G1D134-A-1

C2ME03-A-12

C2ME03-A-11

C1BP02-A-63

C1BB01-A-98

C1BP02-G-1

C1BP02-G-2

C1BP02-A-45

C1BB01-A-107

C2ME03-A-15

C1BP02-C-65

C4BR02-C-330

C12-CD-1

G1D134-B-1

C3ME74-1

C3ME74-2

C3ME74-3

C3ME74-4

C2ME24-17

C2ME24-5

C2ME24-4

C2ME24-16

C2ME24-1

C2ME24-37

C2ME24-29

C2ME24-38

C2ME24-30

C2ME24-35

C2ME24-27

C2ME24-36

C2ME24-28

C2ME03-D-3

C2ME03-D-7

C2ME03-D-2

C2ME03-D-6

C2ME03-D-4

C2ME03-D-8

C2ME03-D-1

C2ME03-D-5

C4BR02-C-328

C23-CD-7

C2ME24-2

C23-CD-8

C23-CD-9

C23-CD-13

C23-CD-12

C2ME24-15

C2ME24-3

C2ME96-1

C2ME96-3

C7ME09-4

C27-AB-4

C7ME39-3

C7ME39-1

C7ME09-1

C27-AB-3

C5ME07-1

C5ME07-4

C5ME08-3

C5ME08-1

C2ME24-22

C2ME24-10

C23-AB-4

C23-AB-3

C2ME24-19

C23-AB-13

C23-AB-14

C2ME24-7

C2ME24-11

C23-AB-2

C2ME24-12

C23-AB-1

C2ME24-21

C23-CD-1

C23-CD-2

C6ME10-1

C6ME10-4

C2ME24-8

C2ME24-20

C6ME11-3

C6ME11-1

C23-CD-6

C8ME12-4

C2ME24-14

C28-AB-4

C23-CD-4

C8ME12-1

C2ME24-13

C28-AB-3

C23-CD-3

C8ME40-3

C8ME40-1

C23-CD-5

C2ME24-9

1D108

G1D108-A

FUSE

(-)

(+)

BATTERY

G2D114

C1BB03-H-1

C1BB03-G-1

C1DC02-A-1

C1BB01-B-1

SP558

GD103C
14401

1.0

2TBD

BK-BU

ICFAA

CBB41A

BU

2TBD 1.5

14K733

MAIN

SBB18A

YE

2TBD 6.0

14K733

MAIN

SBB17A

MAIN

RD

2TBD 6.0

14K733

SDC02A

MAIN

RD

3TBD

25.0

14K733

CDC01A

MAIN

GN-VT

2TBD 0.50

14K733

SBP06D

ICFAA

14401

1.5

2TBD

BN-RD

SBP06E

BN-RD

2TBD

1.5

14401

ICF

AA

C1BB03-K-1

SBB20G

GN-RD

2TBD

6.0

14K733

EJB_HIGH

SBB20L

RJB_3

14014

6.0

2TBD

GN-RD

SP197

GD108A_1

BK

3TBD 25.0

14301

EN_0G

GD108A

BK

3TBD 35.0

14301

EN_0D

GD103A

BK-BU

2TBD 1.0

14401

ICFAA

SP306

GD103B

ICFAA

14401

1.0

2TBD

BK-BU

3ME74

2

1

VME74A

ICEAT

14014

BN

2TBD 1.5

RME74A

ICEAT

14014

BU-BN

2TBD 1.5

RME75A

ICEAT

14014

VT-WH

2TBD 1.5

VME75A

ICEAT

14014

GY-YE

2TBD 1.5

VME74C

ICEFY

14401

BN

2TBD 1.5

RME74C

ICEFY

14401

BU-BN

2TBD 1.5

VME75C

ICEFY

14401

GY-YE

2TBD 1.5

RME75C

ICEFY

14401

VT-WH

2TBD 1.5

GD103D

A

ICEAK_CD345

BK-B

U

2TBD

2.5

14401

C3-1

MAIN_SUPPLY

C660-1

F17_60A

C661-1

F18_60A

C2-98

F41_20A

C663-1

F20_60A

R7_1

C2-107

F41

F17

F18

R7

5

3

1

2

F20

15/31

1BB01

KL30 B_SUPPLY
C5-1

KL30 A_SUPPLY
C5-2

KL15 EJB RELAY LOGIC
C1-45

ICM+IAM,AUDIO 30 FEED SUPPLY

C3-65

KL15 RELAY SUPPLY EJB
C1-63

CAN

F21

internal HW

4/56

1BP02

C1-5

RIGHT REAR SPEAKER -

C1-1

RIGHT REAR SPEAKER +

RIGHT FRONT SPEAKER -

C1-6

C1-2

RIGHT FRONT SPEAKER +

LEFT REAR SPEAKER -

C1-8

LEFT REAR SPEAKER +

C1-4

LEFT FRONT SPEAKER -

C1-7

C1-3

LEFT FRONT SPEAKER +

POWER GND

C2-12

C2-11

KEY GND

C2-15

BATTERY

MM_CAN_LOW

MM_CAN_HIGH

CAN

2ME03

VME17A

0.35

2TBD

GN

14401

ICEFY

RME17A

0.35

2TBD

GY

14401

ICEFY

RME18A

ICEFY

14401

YE

2TBD 0.35

VME18A

ICEFY

14401

VT

2TBD 0.35

RME60A

0.35

2TBD

GY-BN

14401

ICEFY

VME60A

0.35

2TBD

GN-BN

14401

ICEFY

RME61A

0.35

2TBD

YE-BU

14401

ICEFY

VME61A

0.35

2TBD

VT-BN

14401

ICEFY

GD103DB

14401

4.0

2TBD

BK-B

U

ICEFY

GD103M

14401

2.5

2TBD

BK-B

U

ICEFY

C3-328

FC9/20A

C3-330

FC9

4/58

4BR02

C_SBR09A

ICEFY

14014

RD

2TBD 2.5

C_SBR09B

ICEFY

14401

RD

2TBD

2.5

C1-16

SUBW

OOFER

1+

C1-4

SUBW

OOFER

1-

C1-5

SUBW

OOFER

2+

C1-17

SUBW

OOFER

2-

C1-3

CENTER

SPEAKER-

C1-15

CENTER

SPEAKER+

C1-14

RR SPEAKER-

C1-13

RR SPEAKER+

C1-20

RF SPEAKER-

C1-8

RF SPEAKER+

C1-21

FR TWEETER-

C1-9

FR TWEETER+

C1-11

LR SPEAKER-

C1-12

LR SPEAKER+

C1-10

LF SPEAKER-

C1-22

LF SPEAKER+

C1-7

FL TWEETER-

C1-19

FL TWEETER+

C1-1

GND

C1-28

RR-

C1-36

RR+

C1-27

LR-

C1-35

LR+

C1-30

RF-

C1-38

RF+

C1-29

LF-

C1-37

LF+

C1-2

PWR

C1-23

MM_CAN_LOW

C1-31

MM_CAN_HIGH

CAN

2ME24

2ME96

VME06G

ICEFY_CD345

GN

2TBD 0.75

14401

RME06G

ICEFY_CD345

GY-YE

2TBD 0.75

14401

7ME09

7ME39

RME09A
14240_L

1.5

2TBD

BK

ICFAA

RME09F

BK

2TBD 0.75

14240_L

RR_TW

VME09F

BK

2TBD 0.75

14240_L

RR_TW

VME09A
14240_L

1.5

2TBD

BK

ICFAA

5ME07

VME07A
14A584

1.5

2TBD

BK

ICFAA

RME07A
14A584

1.5

2TBD

BK

ICFAA

5ME08

C25-B-12

C25-B-13

RME08E
14A584

ICEAT_345

GY-OG

2TBD 0.75

VME08E
14A584

ICEAT_345

GN-OG

2TBD 0.75

VME07B

1.5

2TBD

WH

14014

ICFAA

RME07B

1.5

2TBD

WH-BN

14014

ICFAA

VME07G

1.5

2TBD

WH

14401

ICEFY

RME07G

1.5

2TBD

WH-BN

14401

ICEFY

C25-AX-12

C25-AX-13

VME08F

ICEFY_CD345

14401

GN-OG

2TBD 0.75

RME08F

ICEFY_CD345

14401

GY-OG

2TBD 0.75

C25-AX-22

C25-AX-21

RME08D

ICEAT_345

14014

GY-OG

2TBD 0.75

VME08D

ICEAT_345

14014

GN-OG

2TBD 0.75

C25-B-22

C25-B-21

SP431

SP433

RME09B

BN-YE

2TBD 1.5

14014

ICFAA

RME09E
14014

ICFAA

BN-YE

2TBD1.5

VME09B
14014

1.5

2TBD

BN-GN

ICFAA

VME09E
14014

ICFAA

BN-GN

2TBD1.5

VME09G
14401

1.5

2TBD

BN-GN

ICEFY

RME09G
14401

1.5

2TBD

BN-YE

ICEFY

C26-AX-12

VME10A

BK

2TBD 1.5

14K138

ICFAA

RME10A

BK

2TBD 1.5

14K138

ICFAA

6ME10

C26-AX-13

C26-B-13

VME10B

1.5

2TBD

WH-VT

14014

ICFAA

RME10B

ICFAA

14014

WH-OG

2TBD 1.5

VME10G

1.5

2TBD

WH-VT

14401

ICEFY

RME10G

1.5

2TBD

WH-OG

14401

ICEFY

VME11F

0.75

2TBD

VT-OG

14401

ICEFY_CD345

RME11F

0.75

2TBD

YE-OG

14401

ICEFY_CD345

6ME11

C26-B-12

C26-AX-22

C26-B-22

RME11D

ICEAT_345

14014

YE-OG

2TBD 0.75

VME11D

ICEAT_345

14014

VT-OG

2TBD 0.75

RME11E

ICEAT_345

14K138

YE-OG

2TBD 0.75

VME11E

ICEAT_345

14K138

VT-OG

2TBD 0.75

8ME12

SP430

SP432

RME12F

BK

2TBD 0.75

14240_R

RR_TW

VME12F

BK

2TBD 0.75

14240_R

RR_TW

RME12E
14014

1.5

2TBD

BN-BU

ICFAA

RME12A
14240_R

1.5

2TBD

BK

ICFAA

VME12E
14014

1.5

2TBD

BN-WH

ICFAA

VME12A
14240_R

1.5

2TBD

BK

ICFAA

VME12D
14014

1.5

BN-WH

2TBD

ICFAA

VME12G
14401

1.5

2TBD

BN-WH

ICEFY

RME12G
14401

1.5

2TBD

BN-BU

ICEFY

RME12D

BN-BU

2TBD 1.5

14014

ICFAA

8ME40

C26-AX-21

C26-B-21

BODY BATTERY GROUND

IP BRACKET RADIO GROUND

Skrzynka rozdzielcza zasilania

Centralna skrzynka połcz eniowa (CJB)

Tylna skrzynka przyłcz owa (RJB)

Wzmacniacz sprztu audio

rodkowy głonik wysokotonowy w tablicy rozdzielczej

Głonik w drzwiach tylnych – lewa strona

Głonik wysokotonowy w drzwiach tylnych - strona lewa

Głonik w drzwiach przednich – lewa strona

Głonik wysokotonowy w drzwiach przednich - strona lewa

Głonik w drzwiach przednich – prawa strona

Głonik wysokotonowy w drzwiach przednich - strona prawa

Głonik w drzwiach tylnych – prawa strona

Głonik wysokotonowy w drzwiach tylnych - strona prawa

--3 10-08-2010

2011.0 Mondeo (CA2-345) ,

(G1357100) 10-08-2010

2011.0 Mondeo (CA2-345) ,

background image

G1D134-A-1

C2ME03-A-12

C2ME03-A-11

C1BP02-A-63

C1BB01-A-98

C1BP02-G-1

C1BP02-G-2

C1BP02-A-45

C1BB01-A-107

C2ME03-A-15

C1BP02-C-65

C4BR02-C-330

C12-CD-1

G1D134-B-1

C3ME74-1

C3ME74-2

C3ME74-3

C3ME74-4

C2ME24-17

C2ME24-5

C2ME24-4

C2ME24-16

C2ME24-1

C2ME24-37

C2ME24-29

C2ME24-38

C2ME24-30

C2ME24-35

C2ME24-27

C2ME24-36

C2ME24-28

C2ME03-D-3

C2ME03-D-7

C2ME03-D-2

C2ME03-D-6

C2ME03-D-4

C2ME03-D-8

C2ME03-D-1

C2ME03-D-5

C4BR02-C-328

C23-CD-7

C2ME24-2

C23-CD-8

C23-CD-9

C23-CD-13

C23-CD-12

C2ME24-15

C2ME24-3

C2ME96-1

C2ME96-3

C7ME09-4

C27-AB-4

C7ME39-3

C7ME39-1

C7ME09-1

C27-AB-3

C5ME07-1

C5ME07-4

C5ME08-3

C5ME08-1

C2ME24-22

C2ME24-10

C23-AB-4

C23-AB-3

C2ME24-19

C23-AB-13

C23-AB-14

C2ME24-7

C2ME24-11

C23-AB-2

C2ME24-12

C23-AB-1

C2ME24-21

C23-CD-1

C23-CD-2

C6ME10-1

C6ME10-4

C2ME24-8

C2ME24-20

C6ME11-3

C6ME11-1

C23-CD-6

C8ME12-4

C2ME24-14

C28-AB-4

C23-CD-4

C8ME12-1

C2ME24-13

C28-AB-3

C23-CD-3

C8ME40-3

C8ME40-1

C23-CD-5

C2ME24-9

1D108

G1D108-A

FUSE

(-)

(+)

BATTERY

G2D114

C1BB03-H-1

C1BB03-G-1

C1DC02-A-1

C1BB01-B-1

SP558

GD103C
14401

1.0

2TBD

BK-BU

ICFAA

CBB41A

BU

2TBD 1.5

14K733

MAIN

SBB18A

YE

2TBD 6.0

14K733

MAIN

SBB17A

MAIN

RD

2TBD 6.0

14K733

SDC02A

MAIN

RD

3TBD

25.0

14K733

CDC01A

MAIN

GN-VT

2TBD 0.50

14K733

SBP06D

ICFAA

14401

1.5

2TBD

BN-RD

SBP06E

BN-RD

2TBD

1.5

14401

ICF

AA

C1BB03-K-1

SBB20G

GN-RD

2TBD

6.0

14K733

EJB_HIGH

SBB20L

RJB_3

14014

6.0

2TBD

GN-RD

SP197

GD108A_1

BK

3TBD 25.0

14301

EN_0G

GD108A

BK

3TBD 35.0

14301

EN_0D

GD103A

BK-BU

2TBD 1.0

14401

ICFAA

SP306

GD103B

ICFAA

14401

1.0

2TBD

BK-BU

3ME74

2

1

VME74A

ICEAT

14014

BN

2TBD 1.5

RME74A

ICEAT

14014

BU-BN

2TBD 1.5

RME75A

ICEAT

14014

VT-WH

2TBD 1.5

VME75A

ICEAT

14014

GY-YE

2TBD 1.5

VME74C

ICEFY

14401

BN

2TBD 1.5

RME74C

ICEFY

14401

BU-BN

2TBD 1.5

VME75C

ICEFY

14401

GY-YE

2TBD 1.5

RME75C

ICEFY

14401

VT-WH

2TBD 1.5

GD103D

A

ICEAK_CD345

BK-B

U

2TBD

2.5

14401

C3-1

MAIN_SUPPLY

C660-1

F17_60A

C661-1

F18_60A

C2-98

F41_20A

C663-1

F20_60A

R7_1

C2-107

F41

F17

F18

R7

5

3

1

2

F20

15/31

1BB01

KL30 B_SUPPLY
C5-1

KL30 A_SUPPLY
C5-2

KL15 EJB RELAY LOGIC
C1-45

ICM+IAM,AUDIO 30 FEED SUPPLY

C3-65

KL15 RELAY SUPPLY EJB
C1-63

CAN

F21

internal HW

4/56

1BP02

C1-5

RIGHT REAR SPEAKER -

C1-1

RIGHT REAR SPEAKER +

RIGHT FRONT SPEAKER -

C1-6

C1-2

RIGHT FRONT SPEAKER +

LEFT REAR SPEAKER -

C1-8

LEFT REAR SPEAKER +

C1-4

LEFT FRONT SPEAKER -

C1-7

C1-3

LEFT FRONT SPEAKER +

POWER GND

C2-12

C2-11

KEY GND

C2-15

BATTERY

MM_CAN_LOW

MM_CAN_HIGH

CAN

2ME03

VME17A

0.35

2TBD

GN

14401

ICEFY

RME17A

0.35

2TBD

GY

14401

ICEFY

RME18A

ICEFY

14401

YE

2TBD 0.35

VME18A

ICEFY

14401

VT

2TBD 0.35

RME60A

0.35

2TBD

GY-BN

14401

ICEFY

VME60A

0.35

2TBD

GN-BN

14401

ICEFY

RME61A

0.35

2TBD

YE-BU

14401

ICEFY

VME61A

0.35

2TBD

VT-BN

14401

ICEFY

GD103DB

14401

4.0

2TBD

BK-B

U

ICEFY

GD103M

14401

2.5

2TBD

BK-B

U

ICEFY

C3-328

FC9/20A

C3-330

FC9

4/58

4BR02

C_SBR09A

ICEFY

14014

RD

2TBD 2.5

C_SBR09B

ICEFY

14401

RD

2TBD

2.5

C1-16

SUBW

OOFER

1+

C1-4

SUBW

OOFER

1-

C1-5

SUBW

OOFER

2+

C1-17

SUBW

OOFER

2-

C1-3

CENTER

SPEAKER-

C1-15

CENTER

SPEAKER+

C1-14

RR SPEAKER-

C1-13

RR SPEAKER+

C1-20

RF SPEAKER-

C1-8

RF SPEAKER+

C1-21

FR TWEETER-

C1-9

FR TWEETER+

C1-11

LR SPEAKER-

C1-12

LR SPEAKER+

C1-10

LF SPEAKER-

C1-22

LF SPEAKER+

C1-7

FL TWEETER-

C1-19

FL TWEETER+

C1-1

GND

C1-28

RR-

C1-36

RR+

C1-27

LR-

C1-35

LR+

C1-30

RF-

C1-38

RF+

C1-29

LF-

C1-37

LF+

C1-2

PWR

C1-23

MM_CAN_LOW

C1-31

MM_CAN_HIGH

CAN

2ME24

2ME96

VME06G

ICEFY_CD345

GN

2TBD 0.75

14401

RME06G

ICEFY_CD345

GY-YE

2TBD 0.75

14401

7ME09

7ME39

RME09A
14240_L

1.5

2TBD

BK

ICFAA

RME09F

BK

2TBD 0.75

14240_L

RR_TW

VME09F

BK

2TBD 0.75

14240_L

RR_TW

VME09A
14240_L

1.5

2TBD

BK

ICFAA

5ME07

VME07A
14A584

1.5

2TBD

BK

ICFAA

RME07A
14A584

1.5

2TBD

BK

ICFAA

5ME08

C25-B-12

C25-B-13

RME08E
14A584

ICEAT_345

GY-OG

2TBD 0.75

VME08E
14A584

ICEAT_345

GN-OG

2TBD 0.75

VME07B

1.5

2TBD

WH

14014

ICFAA

RME07B

1.5

2TBD

WH-BN

14014

ICFAA

VME07G

1.5

2TBD

WH

14401

ICEFY

RME07G

1.5

2TBD

WH-BN

14401

ICEFY

C25-AX-12

C25-AX-13

VME08F

ICEFY_CD345

14401

GN-OG

2TBD 0.75

RME08F

ICEFY_CD345

14401

GY-OG

2TBD 0.75

C25-AX-22

C25-AX-21

RME08D

ICEAT_345

14014

GY-OG

2TBD 0.75

VME08D

ICEAT_345

14014

GN-OG

2TBD 0.75

C25-B-22

C25-B-21

SP431

SP433

RME09B

BN-YE

2TBD 1.5

14014

ICFAA

RME09E
14014

ICFAA

BN-YE

2TBD1.5

VME09B
14014

1.5

2TBD

BN-GN

ICFAA

VME09E
14014

ICFAA

BN-GN

2TBD1.5

VME09G
14401

1.5

2TBD

BN-GN

ICEFY

RME09G
14401

1.5

2TBD

BN-YE

ICEFY

C26-AX-12

VME10A

BK

2TBD 1.5

14K138

ICFAA

RME10A

BK

2TBD 1.5

14K138

ICFAA

6ME10

C26-AX-13

C26-B-13

VME10B

1.5

2TBD

WH-VT

14014

ICFAA

RME10B

ICFAA

14014

WH-OG

2TBD 1.5

VME10G

1.5

2TBD

WH-VT

14401

ICEFY

RME10G

1.5

2TBD

WH-OG

14401

ICEFY

VME11F

0.75

2TBD

VT-OG

14401

ICEFY_CD345

RME11F

0.75

2TBD

YE-OG

14401

ICEFY_CD345

6ME11

C26-B-12

C26-AX-22

C26-B-22

RME11D

ICEAT_345

14014

YE-OG

2TBD 0.75

VME11D

ICEAT_345

14014

VT-OG

2TBD 0.75

RME11E

ICEAT_345

14K138

YE-OG

2TBD 0.75

VME11E

ICEAT_345

14K138

VT-OG

2TBD 0.75

8ME12

SP430

SP432

RME12F

BK

2TBD 0.75

14240_R

RR_TW

VME12F

BK

2TBD 0.75

14240_R

RR_TW

RME12E
14014

1.5

2TBD

BN-BU

ICFAA

RME12A
14240_R

1.5

2TBD

BK

ICFAA

VME12E
14014

1.5

2TBD

BN-WH

ICFAA

VME12A
14240_R

1.5

2TBD

BK

ICFAA

VME12D
14014

1.5

BN-WH

2TBD

ICFAA

VME12G
14401

1.5

2TBD

BN-WH

ICEFY

RME12G
14401

1.5

2TBD

BN-BU

ICEFY

RME12D

BN-BU

2TBD 1.5

14014

ICFAA

8ME40

C26-AX-21

C26-B-21

BODY BATTERY GROUND

IP BRACKET RADIO GROUND

Skrzynka rozdzielcza zasilania

Centralna skrzynka połcz eniowa (CJB)

Tylna skrzynka przyłcz owa (RJB)

Wzmacniacz sprztu audio

rodkowy głonik wysokotonowy w tablicy rozdzielczej

Głonik w drzwiach tylnych – lewa strona

Głonik wysokotonowy w drzwiach tylnych - strona lewa

Głonik w drzwiach przednich – lewa strona

Głonik wysokotonowy w drzwiach przednich - strona lewa

Głonik w drzwiach przednich – prawa strona

Głonik wysokotonowy w drzwiach przednich - strona prawa

Głonik w drzwiach tylnych – prawa strona

Głonik wysokotonowy w drzwiach tylnych - strona prawa

--4 10-08-2010

2011.0 Mondeo (CA2-345) ,

(G1357100) 10-08-2010

2011.0 Mondeo (CA2-345) ,


Wyszukiwarka

Podobne podstrony:
AES Recommended Practice Specification Of Loudspeaker Components Used In Professional Audio And Soun
Farina Reproduction of auditorium spatial impression with binaural and stereophonic sound systems
67 Audio and Visual System
Basowe ABC, projektowanie systemu audio, bass tylko jaki
car Audio, Projektowanie systemu audio, bass tylko jaki
car Audio, Montaż systemu przedniego, Montaż systemu przedniego
car Audio, Montaż systemu przedniego, Montaż systemu przedniego
Navigation and Audio System
projektowanie systemu audio
AUDIO & VISUAL SYSTEM
projektowanie systemu audio
Becker sound system 1992 1993 1994
2006 04 System pomiarowy audio, część 2
diagnostics Audio System
Prosty system?r audio
Audio System for Built In Type Amplifier

więcej podobnych podstron