POŁĄCZENIA
POŁĄCZENIA NITOWE:
W złączach nitowych elementów stalowych stosuje się nity ze stali plastycznych St2N, St3N, St4. Do innych łączonych metali stosować nity z podobnego materiału co materiały łączone.
ZALETY: brak zmian strukturalnych mat. Łączonego, brak naprężeń wewnętrznych i odkształceń w elementach łączonych
WADY: znaczny ciężar połączenia, osłabienie przekroju elementów łączonych (od13do40%), pracochłonność połączenia, trudność uzyskania szczelności połączenia.
Zakuwanie odbywa się na zimno (stalowe < 8-10mm, mosiężne, aluminiowe, miedziane), lub na gorąco 1000stC
Połączenie nitowe może ulec zniszczeniu na wskutek: ścinania,
zbyt dużych nacisków na ścianki otworów, zerwanie elementu łączonego w miejscu osłabionym otworami.
POŁĄCZENIA SPAWANE:

ZALETY: umożliwiaj ą łączenie części metalowych bez użycia dodatkowych elementów zwiększających ciężar całości, pozwalają uzyskać szczelność bez dodatkowych zabiegów, nie wymagają rozbudowanego zaplecza i umożliwiają łączenie przy małym nakładzie robocizny.
WADY: Naprężenia wewnętrzne wywołane gradientami cieplnymi, zmiany strukturalne w materiałach w obszarze złącz, odkształcenie elementów łączonych.
Wytrzymałość spoiny zależy od jakości wykonania spoin- zwykłej jakości, mocne, specjalne.
Spoiny mocne wykonuje się w ważnych złączach narażonych na naprężenia spowodowane obciążeniami statycznymi lub zmiennymi o dużej amplitudzie. Ich wykonanie wymaga wysokich kwalifikacji spawacza i stosowania metod gwarantujących dobrą jakość spoiny (kontrola wyrywkowa).
Spoiny specjalne stosowane w odpowiedzialnych złączach takich jak naczynia ciśnieniowe lub przy znacznych naprężeniach zmiennych- pełna kontrola.
Jakość spoin uwzględnia się we współczynniku Z (kt'=z*z0*kt) (z-jakość spawania (z=0.5-zwykła jakość, z=1 spoina mocna badana radiologicznie, z0-rodzaj spoiny (1.czołowa-rozciąganie 0.75, ściskanie 0.85, zginanie 0.8, ścinanie 0.65 2.pachwinowa-wszystkie obciążenia-0.65.)
Współcześnie wprowadza się tylko jeden współczynnik s (k't=s*kt), dla spoin czołowych (s=1-ściskanie,zginanie), (s=0.8-1-rozciąganie, zginanie), (s=0.6- ścinanie) a dla spoin pachwinowych s=0.65.
OBLICZANIE POŁ SPAWANYCH (STANEM GRANICZNYM):
Metoda obowiązuje w konstrukcjach stalowych hal, mostów, suwnic, jezdni podsuwnicowych, dźwignic. Ogólna postać warunku δ=Fobl/As⊆Rs Fobl- uogólnione obciążenie obliczeniowe, Rs- wytrzymałość obliczeniowa spoiny, δ- uogólnione naprężenie obliczeniowe (normalne, styczne), As- uogólniony wskaźnik wytrzymałości przekroju spoiny.
Obciążenia obliczeniowe- są sumą iloczynów tak zwanych obciążeń charakterystycznych i odpowiednich współczynników uwzględniających dynamiczny charakter obciążenia oraz prawdopodobieństwo wystąpienia obciążeń bardziej niekorzystnych od obciążeń charakterystycznych bądź równoczesnego wystąpienia kilku obciążeń o maksymalnych wartościach.
Wytrzymałość obliczeniowa spoin- jest iloczynem wytrzymałości obliczeniowej stali R i współczynnika s. Rs=s*R.
Wytrzymałość obliczeniowa stali R- otrzymuje się przez podzielenie minimalnej gwarantowanej granicy plastyczności Re przez współczynnik materiałowy R=Re/γs (γs(Re<355Mpa)=1.15
Współczynnik s określa się w zależności od rodzaju spoiny i naprężenia, granicy plastyczności oraz jakości złącza.
W przypadku konieczności uwzględnienia wpływu zmęczenia materiału wartość wytrzymałości obliczeniowej R mnoży się przez współczynnik zmęczeniowy mzm. Jego wartość zależy od rodzaju materiału, rozwiązania konstrukcyjnego węzła, przewidywanej trwałości oraz charakterystyki cyklu zmęczeniowego R* mzm.
Zastosowanie metody stanów granicznych w konstrukcjach maszynowych jest ograniczone brakiem informacji o obciążeniu obliczeniowym.
POŁĄCZENIA ZGRZEWANE:
Zgrzewaniem nazywamy nierozłączne połączenie materiałów przez miejscowe podgrzanie łączonych części do stanu ciastowatości i dociśnięcie do siebie.
Podział sposobów zgrzewania:
a)według źródeł ciepła-ogniowe, gazowe, mechaniczne (tarcie, zgniot), elektryczne b)wg kształtu zgrzeiny- punktowe, garbowe, liniowe
Połączenia zgrzewane należy tak kształtować aby występowały tylko naprężenia ścinające.
POŁĄCZENIA KLEJOWE
Zalety: równomierny rozkład naprężeń, brak skurczu i własnych naprężeń, gładka powierzchnia, nie wymagają wysokich temperatur, nie powodują zmian strukturalnych, istnieje możliwość łączenia dużych materiałów .
Wady: mała odporność na rozwarstwienia, mała odporność na temperaturę, konieczność stosowania zacisków i pras przy niektórych klejach.
Wytrzymałość połączeń klejowych zależy od- mechanicznych i technologicznych własności klejonego materiału i kleju, warunków wykonania konstrukcji złącza i rodzaju obciążeń.
Współczynnik spiętrzenia naprężeń βt=f(c1/c2*cs/c1) (c1/c2=E1*g1/(E1*g1)) (cs/c1=(G*l/s)/(E1*g1/l)=G*l2/(E*g1*s)) E1-Young G- Kirchoff l-długość
POŁĄCZDENIA ŚRUBOWE:

Są to połączenia spoczynkowe.
H=Q*tg(γ±ρ)- siła od momentu
Mt=0.5*d2*Q*tg(ρ1+γ) + Q*dp*μ/2

Gamma podana jest w radianach należy pomnożyć 180/pi żeby mieć stopnie.
Zakres samohamowności od 0 do trochę poniżej sprawności równej 0.2 stosujemy na złącza śrubowe, a gdzieś trochę poniżej granicy sprawności 0.5 znajdują się podnośniki śrubowe.
W zakresie nie samohamowności znajdują się prasy śrubowe (ok. 15 do 25 stopni).
Obliczenia:
a)Przypadek 1 Śruba obciążona jedynie siłą osiową Q
b)Przypadek 2 Śruba obciążona siłą osiową Q i momentem skręcającym Ms (podnośniki i prasy) w praktyce wystarczy sprawdzić tą śrubą na naprężenia wywołane siłą osiową Qz=(1.25-1.3)*Q (tylko dla gwintu metrycznego)
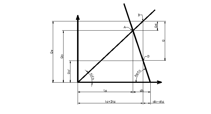
c)Przypadek 3. Śruba obciążona naciągiem wstępnym Qo a następnie siłą osiową Q (Śruby pokryw naczyń ciśnieniowych)
λs=εs*ls=σr*ls/Es=Qo*ls/(Fs*Es)=Qo*1/cs
δk=σc*lk/Ek=Qo*lk/(Fk*Ek)=Qo*1/ck
cs=Qo/λs= Fs*Es/ ls=tgα
ck=Qo/δk = Fk*Ek/ lk=tgβ
ls-długość śruby, Es- moduł sprężystości śruby, Fs- pole przekroju śruby, cs- sztywność śruby (analogicznie dla kołnierza)

Sztywność ściskanych elementów oblicza się biorąc pod uwagę przenoszenie nacisków wgłęb materiału poprzez tzw. STORZKI WPLYWU o kącie rozwarcia 90st. Stożki te zamienia się następnie na zastępcze walce o powierzchni przekroju Fk, które przyrównuje się do powierzchni przekrojów stożków. Podziałaniem zewnętrznej siły osiowej Q śruba wydłuża się dodatkowo o odcinek Δλs jej całkowite wydłużenie osiągnie wartość λs+Δλs odpowiadającą wypadkowej sile na nią działającej Qw . Kołnierze natomiast ze względu na wydłużenie śrub odprężą się o tę samą wielkość Δλs, a i wypadkową odkształcenie będzie wynosiło δk-Δλs. W związku z tym działająca pierwotnie na nie siła naciągu wstępnego śruby Qo zmaleje do wartości Qo'.
Qw=Qo'+Qd
Qo'=Qw+Q
Qo'=(1.5-2)Q - pokrywy ciśnieniowe
Qo'=(0.2-0.6)Q - pokrywy łożyskowe
AC=Qd*ctgα, AC=(Q-Qd)*ctgβ
Qd*ctgα=(Q-Qo')*ctgβ
Qd=Q*ctgβ/(ctgβ+ctgα)=Q*1/(1+ctgα/ctgβ)=Q*1/(1+ck/cs)
Wzrost naciągu w śrubie pod odciążeniem Q jest tym większy im stosunek ck/cs dla zmniejszenia obciążenia Qw należy zmniejszyć sztywność śruby.

Obliczenia wytrzymałościowe: Qw=Qo+Qd
Przypadek 4. Połączenia śrubowe obciążenia siłą poprzeczną
a)Śruba pasowana (tylko na ścięcie i dociski powierzchniowe)
b)Śruby luźne: Obciążenie P jest przenoszone dzięki sile tarcia T wywołanej naciągiem śrub Qo T=Qo*μ>P
OBLICZENIA POŁĄCZEŃ ŚRUBOWYCH
Przy obliczaniu połączeń w których zastosowano większą liczb śrub należy ustalić rzeczywisty rozkład obciążeń na poszczególne śruby i obliczyć najbardziej obciążone. Dla prostych obliczeń przyjmuje się równość naciągów wstępnych w śrubach, dostateczną sztywność kołnierzy, oraz równomierny rozkład docisków, a więc i sił tarcia na całej powierzchni styku.
POŁĄCZENIA SWORZNIOWE
Dla sworznia ciasno pasowanego liczymy na ścięcie i sprawdzamy na dociski powierzchniowe. A dla luźno pasowanego liczymy na zginanie.
Sworznie jednostronne utwierdzone obciążone siłą skupioną oblicza się na zginanie i naciski powierzchniowe o rozkładzie prostokątnym od sił i trójkątnym od momentów.
Materiały na sworznie: własności 4.8 (Rm=400Mpa HB=105) lub 5.8 (Rm=500 MPa HB=145)
ZMĘCZENIÓWKA
Wykres Wöhlera

Zk- obszar wytrzymałości zmęczeniowej przy małej ilości cykli
Zo- obszar wytrzymałości zm. przy ograniczonej ilości cykli
Zz- obszar wytrzymałości zm. przy nieograniczonej ilości cykli
Sposoby obliczenia współczynnika w poszczególnych obszarach:
1.Nc<104-obszar obciążeń statycznych δ=Re/σmax
2.104<Nc<107 - obszar wytrzymałości ograniczonej δz=Zo/σmax (Zo-wyznaczone doświadczalnie lub obliczone Zo=Zg(107/Nc)^ς)
3.Nc>107 - obszar wytrzymałości nieograniczonej δ=Zg/σmax
Liczba całkowita cykli
Nc=n(1/min)*60*h(ilość godzin)*z(liczba zmian)*D(dni)*l(lat)
σm=(σmax+σmin)/2- naprężenie średnie
σa=(σmax-σmin)/2- amplituda naprężeń
R=σmin/σmax -współczynnik asymetrii cyklu
Kappa=σm/σa- współczynnik stałości obciążenia
Wykres Haigha

Wykres Smitha

Aby narysować wykres potrzeba Re, Zo,Zj.
Jeżeli przy wzroście obciążenia stosunek amplitudy σa do naprężenia średniego σm będzie stały to wartość wytrzymałości zmęczeniowej określa punkt k1
σa/σm=const, x2=z1/σmax=E*k1/CD
Jeśli przy wzroście obciążeń naprężenie średnie cyklu pozostaje stałe to wytrzymałość zmęczeniowa odpowiadająca punktowi D określona jest punktem k2, współczynnik bezpieczeństwa
σm=const x2=Z2/σz=Ck2/CD
D-punkt pracy.
CZYNNIKI WPŁYWAIĄCE NA WYTRZ. ZMĘCZENIOWĄ
Pod pojęciem KARBU należy rozumieć wszelkie nieciągłości poprzecznych przekrojów przedmiotu lub zmiany krzywizn powierzchni ograniczających przedmiot (rowki, otwory, gwinty)
Rozkład naprężeń w obszarze karbu zależy od geometrii karbu, związanej z wymiarami przedmiotu. Charakterystykę zmęczeniową karbu ujmujemy w tzw. współczynniku kształtu αk . Wartość współczynnika αk zależy od: stosunku promienia krzywizny dna karbu ρ do promienia lub połowy szerokości przekroju r w elementach płaskich w płaszczyźnie karbu, oraz od stosunku promienia połowy szerokości elementu R w miejscu nie osłabionym karbem do promienia r.

βk- współczynnik działania karbu- stosunek wytrzymałości próbek gładkich bez karbu do wytrzymałości próbek gładkich z karbem. βk- zależy od współczynnika kształtu i współczynnika wrażliwości materiału na działanie karbu.
βk=1+ηk(αk+1) gdzie ηk- współczynnik wrażliwości materiału na działanie karbu (jest zależny od Rm, ρo) =1 dla materiałów doskonale sprężystych „szkło” =0 dla materiałów niewrażliwych na działanie karbu „żeliwo szare”.
Współczynnik βp charakteryzuje zmianę wytrzymałości elementów po różnej obróbce skrawaniem w porównaniu z próbką polerowaną. Do obliczeń elementów z karbem o znanym βk posługujemy się zależnością β=βk+βp-1 (w przypadku karbów prostych βp pomijamy, dla żeliwa po usunięciu naskórku odlewniczego przyjmujemy βp=1)
βpz- dla powierzchni ulepszanych β=βk*βpz
Współczynnik wielkości elementu ε=zd/z, zd- wytrzymałość zmęczeniowa próbki o średnicy d, z- wytrzymałość zmęczeniowa próbki o średnicy od 7 do 10mm (γ=1/ε).
δ-rzeczywisty współczynnik bezpieczeństwa
δ<1 nie występuje
δ=1.3-1.4 -ścisłe obliczenia na podstawie dokładnych danych doświadczalnych
δ=1.4-1.7 - dla zwykłej dokładności obliczeń, bez doświadczalnego sprawdzenia obliczeń
δ=1.7- 2 - dla zmniejszonej dokładności obliczeń, przy możliwości określenia naprężeń i obciążeń
δ=2-3 - przy orientacyjnym określaniu obciążeń i naprężeń dla niepewnych lub specjalnie ciężkich warunków pracy (odlewy)
OBLICZENIA ZMĘCZENIOWE PRZY OBCIĄŻENIACH ZŁOŻONYCH
Przy jednoczesnym występowaniu naprężeń różnego rodzaju naprężenia te składamy przy zastosowaniu odpowiedniej hipotezy wytężeniowej. Naprężenia zastępcze dla obciążeń niesymetrycznych (wahadłowych) obliczamy tak samo jak dla obciążeń stałych. Przy przewadze naprężeń normalnych σz=(σ2+(kσ*τ/kτ)2)^(1/2). Przy przewadze naprężeń stycznych σz=((kτ*σ/kσ)2+τ2)^(1/2). Rozwiązując te zależności można dowieść, że rzeczywisty współczynnik bezpieczeństwa jest równy δz=1/(1/δσ2+1/δτ2)1/2
δσ,δτ-składowe rzeczywistego współczynnika bezpieczeństwa obliczane tak jakby działało tylko zmienne naprężenie normalne lub styczne.
ZALECENIA KONSTRUKCYJNE mające na celu zwiększenie wytrzymałości zmęczeniowej elementów maszyn
-należy dążyć do możliwie łagodnego kształtowania przejść od jednego do drugiego przekroju stosując stożki przejściowe zamiast odsadzeń.
-jeżeli łukowe odsadzenie jest konieczne stosujemy możliwie duży promień przejścia
-działanie karbu można osłabić stosując karby odciążające
-należy dążyć ]do wyrównania współczynników bezpieczeństwa w różnych przekrojach co prowadzi do uzyskania konstrukcji o minimalnej masie
-gładkość powierzchni jest czynnikiem wpływającym w znaczącym stopniu na wytrzymałość zmęczeniową
-metalowe powłoki ochronne o małej wytrzymałości mogą być zaczątkiem pęknięcia zmęczeniowego
-zwiększenie wytrzymałości zmęczeniowej można uzyskać przez wytworzenie na powierzchni elementów napięć wstępnych
WAŁY I OSIE
Jeśli jest przenoszony moment skręcający to taką część nazywamy wałem, jeśli nie to osią. Części wałów osi na których są osadzone współpracujące z nimi elementy nazywamy czopami.
ETAPY PROJEKTOWANIA WAŁÓW:
1.Projektowanie wstępne polegające na ukształtowaniu wału na podstawie uproszczonych obliczeń wytrzymałościowych i zadanych dyspozycji wymiarowych
2.Obliczenia sprawdzające- sztywności(kąta ugięcia i strzałki), obliczenia dynamiczne (prędkości krytycznej ii drgania rezonansowe), obliczenia zmęczeniowe (rzeczywisty współczynnik bezpieczeństwa)
3.Ostateczne kształtowanie wału.
MATERIAŁY NA WAŁY
1.St3-St5 wtedy gdy o kształcie wału decyduje sztywność
2.35-45 gdy wał przenosi duże obciążenie w szczególności 45 gdy wskazanej jest powierzchniowe utwardzenie czopów
3.dla wałów uzębionych materiał taki jak dla kół zębatych (stale CrNi do ulepszania cieplnego, nawęglania i azotowania)
KSZTAŁTOWANIE WAŁU
Kształtowanie powierzchni swobodnych przeprowadzamy po ukształtowaniu powierzchni roboczych, czyli czopów-należy uwzględnić aby d1/d2 <=1,2 , natomiast czopy należy kształtować według zaleceń normy.
Gładkość powierzchni
1.czopów końcowych :Rz=2,5-0,32μm
2.powieszchni swobodnych : wały wolno obrotowe i średnio bieżne (Rz=10-5μm), wysokoobrotowe ( Rz=2,5μm)
Tolerancje - powierzchnie swobodne wykonujemy w tolerancji warsztatowej IT14 (h14) przy dużych obrotach IT12 do IT10
Uwzględnianie wpustu:
1.Jeżeli obciążenie jest w przybliżeniu statyczne wystarczy, by moment bezwładności przekroju z rowkiem był nie mniejszy od momentu bezwładności zarysu teoretycznego.
2.Gdy wał pracuje w zmiennym cyklu obciążenia przy niewielkim udziale momentu skręcającego moment bezwładności koła wpisanego winien być nie mniejszy niż teoretyczny
3.Gdy występuje duży udział momentu skręcającego moment bezwładności koła współśrodkowego z przekrojem poprzecznym wału, stycznego zewnętrznie do dna rowka pod wpust winien być nie mniejszy od teoretycznej
Sprawdzenia - ugięcie dopuszczalne (Fdop=2-3*10-4 rozstawu łożysk), dopuszczalny kąt skręcenia (ϕdop=0,002-0,01rad/m)
Materiały konstrukcyjne
Właściwości mechaniczne-
(Wytrzymałość na ściskanie, rozciąganie, zginanie i ścinanie, granica plastyczności, wydłużenie, twardość, wyt. Zmęczeniowa)
Własności fizyczne (ciężar właściwy, przewodność elektryczna, cieplna, wł. Magnetyczne)
Własności chemiczne (odporność Ann korozję, żaroodporność)
Własności technologiczne- podatność na kształtowanie (obrabialność, tłoczność, spawalność, hartowność, lejność)
ŻEWLIWA:
a) żeliwo szare-
ZL150,200- elementy słabo obciążone, obudowy, podstawy, koła pasowe, armatura
ZL250,300- części średnio obciążone, obudowy silników, obrabiarek, koła zębate, sprzęgła
ZL350,400- bardziej obciążone części maszyn- koła zębate, łańcuchowe, tarcze hamulcowe
b) żeliwo sferoidalne- ciśnieniowa armatura, silnie obciążone części maszyn, matryce, walce hutnicze, wały korbowe
c) żeliwo ciągliwe- elementy o złożonych kształtach obciążone uderzeniowo: części hamulców, wagonów, maszyn rolniczych, przenośników
STALE KONSTRUKCYJNE WĘGLOWE-
a)St0,St2-mało obciążone elementy maszyn wytwarzane przez prasowanie, tłoczenie, gięcie na zimno
St3(s)- mało obciążone części maszyn
St4(s) St5(s)- Normalnie i średnio obciążone elementy, wały, osie, koła zębate
St6-(może być hartowana ulepszana cieplnie(duża wytrzymałość)) kołki ustalające, kliny, ślimaki, koła zębate
St7-duża wytrzymałość, mała plastyczność walce matryce, młoty, kowadła, elementy suwnic, koparek, koła jezdne.
b)wyższej jakości (obróbka cieplna)
08X,10X- wyroby tłoczone na zimno, dobrze spawalna
10- podobne zastosowanie po nawęglaniu, cyjanowaniu
15,20,25- śruby, koła zębate, osie, wały, czopy, sworznie, można nawęglać i cyjanować
15G, 20G- z dodatkiem manganu (podobne do 15, 20 ,25 ale większa wytrzymałość)
30,35- wały osie
35,40,45,50,55- stale stosowane jako ulepszane cieplnie przed obróbką skrawaniem później można hartować powierzchniowo do twardości 35-45 HRC 55-62HRC
45- koła zębate, wały rozrządowe, śruby, tania łatwo dostępna
55- sworznie łańcuchów napędowych, tłokowych, wrzeciona obrabiarek
65,60G- sprężynowe po obróbce cieplnej, części silnie obciążone i odporne na zużycie, resory, sprężyny
STALE STOPOWE:
Większa zdolność do przehartowania (jeśli chcemy zahartować duży element w całym przekroju) drogie i deficytowe.
a) stale do azotowania- 38HNJ, 38HJ- duża hartowność- wały korbowe rozrządu, ślimaki, krzywki, rozrządy, popychacze, sworznie tłokowe, formy do przetwarzania tworzyw sztucznych
b) stale do nawęglania- odznaczają się mniejszą skłonnością do wad powierzchniowych po hartowaniu- małe elementy słabo obciążone wałki rozrządu sprzęgła kłowe (15H), 18H2N2- koła talerzowe, szybkobieżne koła zębate.
STALIWA:
stosujemy do wytwarzania elementów o skomplikowanych kształtach. Posiadają wyższe własności wytrzymałościowe w porównaniu z żeliwem szarym, ale porównywalne z żeliwem modyfikowanym i sferoidalnym
L400 I- odlewy miękkie nadaje się na części o dużej ciągliwości małej wytrzymałości- korpusy łożysk, pokrywy, części do nawęglania, dobrze spawalna
L450 I,II,III- odlewy zwykłe, miękkie, o mniejszej ciągliwości pracujące przy małym obciążeniu- koła bose, koła łańcuchowe o małych obrotach, korpusy, pokrywy- dobrze spawalna
L500,L600 I,II,III- na odlewy zwykłe półtwarde koła biegowe, łańcuchowe, zębate, korpusy maszyn (możliwa spawalność)
ŁOŻYSKA TOCZNE
Dwie ostatnie cyfry oznaczają średnicę otworu wewnętrznego (00-10,01-12,02-15,03-17,04-20,05-25,06-30,07-*5) Cyfry początkowe oznaczają serię łożyska i niekiedy grupę konstrukcyjną (62-kulkowe zwykłe, 72-kulkowe skośne,303-stożkowe.293-baryłkowe wzdłużne)
Materiały- pierścień i części toczne wykonywane są ze specjalnej stali chromowej ŁH 15 lub ŁH 15SG
Dobór łożysk :
1.ograniczenia wymiarowe łożysk
2.wielkości i kierunki obciążenia
3.prędkość obrotowa
4.możliwość ograniczenia błędu współosiowości
5.wymagana dokładność i cichobieżność
6.sztywność ułożyskowania
Nośność spoczynkowa n<10 1/min , jest to takie obciążenie które wywołuje łączne odkształcenie plastyczne równe 0,0001mm elementów tocznych
Trwałość - jest to czas pracy łożyska w milionach obrotów lub godzin
L=(C/P)ρ c-nośność ruchowa, p- obciążenie ( ρ=3-łożysko kulkowe, ρ=10/3-łożysko wałeczkowe)
L10-trwałość umowna osiągana przez 90% łożysk
L=a1*a2*a3*L10
Algorytm doboru łożysk tocznych :
1.ustalenie schematu konstrukcyjnego łożyskowania
2.pokreślenie wartości i kierunków obciążeń i prędkości obrotowej łożysk
3.dla obciążeń zmiennych obliczamy Pn i nn.
4.ustalenie ograniczeń geometrycznych
5.wybór typu łożyska
6.przyjęcie wymaganej trwałości L
7.wyznaczenie stosunku C/P dla odpowiedniego L i typu łożyska
8.obliczenia obciążenia zastępczego P=VxPr+ψ*Pa
9.obliczenia obciążenia efektywnego Pe=fd*P
10.obliczenia nośności ruchowej C=Pe(C/P)
11.obliczenie efektywnej nośności ruchowej Ce=ft*C
12.obliczenie zastępczego obciążenia spoczynkowego P0=max(P01,P02) P01=X0*Pr0+Y0*P0a P02=Pr0
13. Obliczanie wymaganej nośności spoczynkowej
14.Dobór z katalogu jego nośności oraz wymiarów geometrycznych
15.Sprawdzenie trwałości ściernej łożyska- weryfikacja nośności efektywnej c0=s0*P0 Le=a1*a2*a3*(Ce/Pe)ρ
16.Dobór środka smarnego.
17. Przyjęcie prasowań w gnieździe i na czopie oraz uszczelek (filc-mała prędkość obrotowa, oringi i simeringi- średnia prędkość obrotowa, uszczelnienia labiryntowe- duża prędkość) .
a1- uwzględnia wymaganą niezawodność łożyska ≠0.9
a2- dokładność wykonania łożyska i gatunek stali
a3- zależy od wartości tarcia, rzeczywistym współczynnikiem grubości elastohydrodynamicznego filmu olejowego
Obliczanie obciążeń zastępczych P=VxPr +Y*Pa
Pr- obciążenie promieniowe
Pa- obciążenie wzdłużne
V- współczynnik obrotów
X-współczynnik obciążenia poprzecznego
Y- współczynnik obciążenia wzdłużnego
Tolerancje (HB, kB) pasowania (HB/h7, H7/kB)
ŁOŻYSKA ŚLIZGOWE
Tarcie zależy od materiałów trących, stanu powierzchni trących, siły docisku.
T=μ*N T=F*Rt F- Powierzchnia Rt- granica na ścinanie
N=Pa*F μ=Rt/Pa
Materiał o małym μ Powinien mieć małą wytrzymałość na ścinanie oraz dużą twardość.
Tarcie w warunkach braku zanieczyszczeń lub elementów korozji między stykającymi się powierzchniami nazywamy tarciem suchym (fizycznie).
Tarcie w obecności nieznacznej ilości tlenków nazywamy tarciem suchym technicznym.
Tarcie płynne zachodzi wtedy gdy powierzchnie współpracujące przedzielone są warstewką płynu (opory tarcia to tylko opory wewnątrz płynu).
Tarcie mieszane jest to takie tarcie w którym zachodzi jednocześnie tarcie płynne, graniczne, a nawet suche.
Przy przemieszczaniu powierzchni rozdzielonych cieczą występuje siła będąca miarom oporów tarcia wewnętrznego lub naprężeń stykowych, jest ona wprost proporcjonalna do pola powierzchni oraz prędkości względnej oraz odwrotnie proporcjonalna do odległości względnej.
T=k*A*V/h=η*A*dV/dh η-lepkość dynamiczna [P] [1mPas=1cP]
Materiały łożyskowe:
1.Dobra odkształcalność.
2.Odporność na zatarcia.
3.Wytrzymałość na naciski.
4.Wytrzymałość zmęczeniowa.
5.Odporność na korozję.
6.Dobre przewodnictwo ciepła.
7.Odpowiednią rozszerzalność cieplną.
8.Korzystna struktura materiału (niskie μ)
9.Dodra obrabialność.
10.Niska cena.
Babbit 89.3%Sn, 8.9% Sb, 1.8% Cu
Ł83 83% Sn, 11%Sb, 6%Cu
Ł16 16%Sb, 1.75%Cu,16%Sn, reszta Pb
Sposoby uzyskania tarcia płynnego: na zasadzie hydrodynamicznej, oraz hydrostatycznej
Warunki uzyskania tarcia płynnego (HYDROSTATYCZZNIE):
Wywołanie ciśnienia w warstewce smaru oddzielającego czop od panewki, przez pompowanie smaru pompą znajdującą się na zewnątrz łożyska.
Rozkład nacisków (ciśnienia) w łożysku ślizgowym
β-kąt opasania
α-kąt pomiędzy kierunkiem obciążenia, a początkiem klina smarnego
φ-kąt określający miejsce najmniejszej grubości warstewki olejowej
θ(teta)-współrzędna kątowa mierzona w kierunku obrotów
θa(tetaa)- współrzędna kątowa mierzona od linii środków czopa i panewki do początku klina smarnego
Qpmax- kąt określający miejsce maksymalnego ciśnienia
Qpo- kąt określający koniec klina smarnego


Warunki uzyskania tarcia płynnego (HYDRODYNAMICZNIE):
a)klin smarny
1.istnienie prędkości poślizgu większej od pewnej prędkości granicznej
2.spełnienie warunku geometrycznego tzn. istnienie pomiędzy ślizgającymi się po sobie powierzchniami przestrzeni zawężającej się w kierunku ruchu
3.ciągłego dostarczenia do tej przestrzeni wystarczającej ilości smaru
b)efekt wyciskania smaru
1.istnienia odpowiedniej wartości składowej prędkości ruchu czopa o kierunku normalnym do powierzchni nośnych
2.instnienie możliwie silnego dławienia smaru na wypływie z łożyska
3.ciągłego dostarczania wystarczającej ilości smaru na miejsce wyciśniętego z łożyska
Liczba Somerfelda- istnieje kryterium podobieństwa hydrodynamicznego łożysk ślizgowych. Dla cylindrycznych łożysk poprzecznych jest nim liczba Somerfelda
S=η*n''/(pśr*ψ2) n''- prędkość obrotowa w obr/s, η- lepkość kinematyczna smaru Pa*s, Pśr=P/(l*d)-nacisk średni, Ψ-względny luz łożyskowy
Ψ=0.8*10-3V1/4±30% V-prędkość obwodowa m/s
Kiedy +30%:
-gdy materiał panewki jest mało sprężysty ma duże E
-łożysko sztywne
-długie
-kierunek obciążenia stały
-prędkość obrotowa duża
Kiedy -30%
-gdy materiał panewki jest sprężysty ma małe E
-naciski duże
-łożysko samonastawne
-łożysko wąskie l/d<0.8
-kierunek obciążenia zmienny
-prędkość obrotowa mała
Łożyska na tarcie mieszane liczymy na dociski powierzchniowe Pśr=F/A<=Pdop i sprawdzamy na przegrzanie pśr*V<(p*V)dop
TOLERANCJE I PASOWANIA
Tolerancja wymiaru polega na określeniu dwóch wymiarów granicznych: A- dolnego, B- górnego, między którymi powinien się znaleźć wymiar przedmiotu.
Różnicę pomiędzy górnym a dolnym wymiarem granicznym nazywamy tolerancją T wymiaru, różnicę pomiędzy wymiarem górnym i nominalnym- odchyłką górną (ES- dla wymiaru wewnętrznego, es- dla wymiaru zewnętrznego), a różnicę między wymiarem dolnym i nominalnym odchyłką dolną (EI, ei).
N- wymiar nominalny
A=N +EI lub A=N+ei
B=N +ES lub B=N+es
T=ES-EI lub T=es-ei albo T=B-A
Cechą charakterystyczną prasowań są luzy graniczne:
Najmniejszy Lmin, największy Lmax.
NEIES - tak samo i wałek
Lmin=Aotworu-Bwałka=Ao-Bw=EI-es
Lmax=Bo-Aw=ES-ei
Jeżeli z obliczenia wynika dla Lmin wartość ujemna (luz ujemny czyli wcisk), a dla Lmax- dodatnia, to występuje pasowanie mieszane, jeśli zaś i dla Lmax wynika wartość ujemna, to występuje pasowanie ciasne. Lmin i Lmax dodatnia to luźne.
Pasowania wg stałego otworu:
Luźne:H7/g6,H7/h6,H7/f7,H7/e8,H8/h7
Mieszane:H7/js6,H7/k6,H7/n6
Ciasne:H7/p6,H7/r6,H7/s6
Pasowania wg stałego wałka:
Luźne:G7/h6,H7/h6,F8/h6,H8/h7,H8/h8
Mieszane:Js7/h6,K7/h6,N7/h6
Ciasne:P7/h6.
Wytrzymałość materiałów.
Z- uogólniona wytrzymałość materiału
x- uogólniony współczynnik bezpieczeństwa
k- uogólnione naprężenie dopuszczalne
Naprężenia maksymalne:
Rodzaj zmienności naprężeń: stałe (jednostronne, dwustronnie zmienne)
1.Rozciąganie, ściskanie σr,c=Pr,c/A≤kr,c (krj,krc,kcj)
2.Ścinanie τt=Pt/A≤kt (ktj,kto)
3.Nacisk powierzchniowy p=Pn/A≤pdop (pj,po)
4.Zginanie σg=Mg/Wx≤kg (kgj,kgo)
5.Skręcanie τs=Ms/Wo≤ks (ksj,kso)
W0=pi*d3/16=0.2*d3, Wx=pi*d3/32=0.1*d3 - dla przekroju okrągłego
Współczynniki bezpieczeństwa:1. dla obliczeń statycznych xe=1.3-2(3) 2.dla obliczeń zmęczeniowych x2=3.5-5
krj=Zrj/x2
W większości przypadków występują różne przypadki naprężeń co wymaga zastosowania hipotezy wytężeniowej- składamy tylko te naprężenia, które odznaczają się jednością miejsca i czasu.
1.Przy przewadze naprężeń normalnych σz=(σ2+(m*τ)2)0.5
2.Przy przewadze naprężeń stycznych τz=((σ/m)2+τ2)0.5
m=kg/ks=kgo/kso=kgj/ksj=30.5 - dla stali chyba a raczej tak się mi tylko zdawało
W wartości współczynnika xe, xm ukryty jest współczynnik charakteryzujący zmianę granicy plastyczności i wytrzymałości od wielkości przedmiotu (przekroju). Ulega ona obniżeniu ze wzrostem wymiarów.
xe=δe/εe δe-rzeczywisty współczynnik bezpieczeństwa (=1.2-2)
εe -wpływ wielkości przedmiotu
PRZEKŁADNIE
PRZEKŁADNIAMI mechanicznymi nazywamy mechanizmy służące do przenoszenia energii co zazwyczaj połączone jest ze zmianą prędkości obrotowej i odpowiednimi zmianami sił i momentów.
Rodzaj przekładni |
Przełożenia |
sprawność |
Moc[kW] |
Obr/min |
Zębata zwykła |
8-20 |
0.96-0.99 |
20'000 |
100'000 |
Zębata planetarna |
8-13 |
0.98-0.99 |
8'000 |
40'000 |
Ślimakowa |
60-100 |
0.95-0.97 |
800 |
30'000 |
Łańcuchowa |
6-10 |
0.97-0.98 |
4'000 |
5'000 |
Pas. płaski |
5-10 |
0.96-0.98 |
1'500 |
18'000 |
Pas klinowy |
8-15 |
0.94-0.97 |
1'000 |
|
Prze cierna |
6-10 |
0.95-0.98 |
150 |
|
RYSUNEK NAPRĘŻENIA W PASIE I ROZKŁAD SIŁ

D1-koło napędzające
D2- koło napędzane
S1=S2*eμφ1
S1-S2=T- siła użyteczna
Przekładnie pasowe
Zalety: płynność ruchu, cichobieżność, zdolność łagodzenia drgań, możliwość ustawienia osi w dowolny sposób, mała wrażliwość na dokładność wykonania.
Wady: duże wymiary, niestałość, przełożenia, wrażliwość pasa na szkodliwe działanie otoczenia
Materiały na pasy: skóra, guma z tkaniną bawełnianą, bawełniany, wełniany, mas polimerowy.
Przekładnia z pasem klinowym.
Dzięki lepszemu sprzężeniu pasa klinowego z kołem pasowym możliwe jest zmniejszenie kąta opasania małego koła co powoduje zwiększenie przełożenia, zmniejsza rozstaw osi, zmniejsza naciski na koła.
V=10m/s (4-25) μ'=μ/sin(alfa/2)
Moc przenoszona przez przekładnię
N=Z1*N1*kl*kφ/kt Z1-liczba pasów, N1-moc przenoszona przez jeden pas klinowy, kl- współczynnik uwzględniający liczbę zmian obciążenia kl=f(l), kφ-współczynnik uwzględniający kąt opasania mniejszego koła, kt- współczynnik uwzględniający coś
Średnica skuteczna jest to ta średnica na której linia w pasie nie zmienia swojej długości przy rozwijaniu i nawijaniu pasa na koło rowkowe.

Kąt rozwarcia równy jest 40stopni a szereg pasów to Z,A,B,C,D.
PRZEKŁADNIE ŁAŃCUCHOWE
Zalety:
- pewna swoboda ustalania odległości osi
- zdolność łagodzenia szarpnięć
- większa zwartość i sprawność niż pasowa
- stałość przełożenia
- niewielkie obciążenia wałów i łożysk
- możliwość napędzania kilku wałów
Wady:
- koszt
- nierównomierny ruch
- hałas
- konieczność smarowania
- zastosowanie tylko przy wałach równoległych
Rodzaje łańcuchów: kształtowe, płytkowe (sworzniowe, tulejkowe, rolkowe, zębate)
PRZEKŁADNIE ZĘBATE
Istotnym zespołem składniowym jest zazębiająca się kara kół zębatych zazębiających się w ten sposób że uzyskane jest

Zarys zęba miejsce geometryczne punkt styku z drugim zębem
Koło podziałowe odpowiada walcom podziałowym dzieli ząb na dwie części powyżej koła podziałowego- głowa zęba i to co poniżej- stopa zęba
Wrąb- przestrzeń pomiędzy zębami jednego koła
Grubość zęba- jest mierzona na średnicy podziałowej
Luz- różnica pomiędzy grubością zęba a podziałką(/2 chyba)
Wysokość zęba-
Luz wierzchołkowy- odległość pomiędzy walcem wierzchołkowym jednego koła a walcem den wrębów drugiego koła c=0.25*m
Wskaźnik wysokości zęba y=ha/m (y=1 zęby zwykłe, y>1 zęby wysokie, y<1 zęby niskie)
Znormalizowane: hf=1.25*m, ha=m
Linia przyporu jest linią wyznaczoną przez kolejne punkty styku.
Odcinek przyporu jest to część lini przyporu ograniczona punktami przecinania się kół na których znajdują się końce czynnych zarysów zęba (koła wierzchołków).
Ewolwenta jest to krzywa powstała przez przetaczanie prostej po okręgu.
Punkt przyporu jest to punkt styku dwóch współpracujących ewolwent.
Centralny punkt przyporu „C” wyznacza przecięcie lini przyporu z linią łączącą środki kół.
Kąt przyporu jest to kąt pomiędzy prostą przyporu a styczną do kół tocznych w punkcie „C”.
Liczba przyporu ε stosunek długości odcinak przyporu do podziałki zasadniczej ε>1.
Zarys odniesienia jest to zarys zębów zębatki nazywanej zębatką odniesienia. Powstaje ona jako zarys styczny do dwóch zarysów ewolwentowych współpracujących kół. Można ją interpretować jako koła zębate o nieskończenie dużej średnicy, zarysem takiego koła są odcinki proste jako szczególny przypadek ewolwent.
Nacinanie kół zębatych - zębatka Maga(prosta), zębatka Fellowsa.
Zalety zarysu ewlowentowego:
- mała wrażliwość na odchyłki odległości kół,
- kierunek siły międzyrębnej niemienia się podczas pracy przekładni
- koła zębate o tych samych podziałkach i nominalnych kątach zarysu mogą być kojarzone w dowolne pary
- koła uzębione zewnętrznie mogą być kojarzone z uzębieniem zewnętrznym, wewnętrznym czy też zębatką.
- ewolwentowe koła zębate można wykonywać wydajnymi i dok ładnymi metodami obwiedniowymi
- za pomocą tego samego narzędzia można wykonać koła o różnej ilości zębów.
KOREKCJE
Podcięcia zęba podczas obtaczania obwiedniowego występuje wówczas gdy część narzędzia zębatki wytwarza zarys który nie jest ewolwentą.
W praktyce podcięcie występuje wtedy gdy występuje bardzo mało zębów.
Graniczna liczba zębów Zg=y*2/sin2αo zg(αo=20st)=17, a gdy dopuszczamy niewielkie podcięcie zębów zg'=14
Korekcja uzębienia
Jest potrzebna w przypadku gdy na kole o liczbie zębów z<zg chce się uniknąć podcięcia zęba u podstawy. Polega ona na przesunięciu narzędzia zębatkowego z położenia 0 w położenie1, w którym nie występuje podcięci zęba lecz zmniejszyła się grubość zęba u wierzchołka.
X=x*m -przesunięcie zarysu (x- współrzędna przesunięcia ,”+”-wysuwanie ,”-„-wsuwanie).
xg=y*(zg-z)/zg
Przy z=12 xg=1*(17-12)/17, X=xg*m
Korekcja zazębienia
1.PO - przesunięcie zarysu bez zmiany odległości osi.(X-X) Polega na przesunięciu narzędzia zębatkowego na jednym kole na zewnątrz o taką samą wielkość, o jaką w drugim kole- ku wnętrzu.
Stosuje się z1+z2>=2zg(zg')
Zastosowanie PO pozwala na usunięcie podcięcia $&%$#^% kole ale jest także gdy podcięcie nie grozi poprawności współpracy z większą liczbą przyporu.
2.P- przesunięcie zarysu ze zmianą odległości osi (X+X). Stosuje się gdy z1+z2<2zg , oraz gdy względy konstrukcyjne wymagają zmiany odległości osi. Po zastosowaniu przesunięcia zarysu x1,x2 osie kół ulegają rozsunięciu i nowa odległość osi będzie równa ap=a0+(x1+x2)*m- odległość pozorna.
Aby skasować luz obwodowy zbliża się koła na odległość ar=a0*cosα0/cosαt αt toczny kąt przyporu a0=z1+z2/2*m invαt=2*(x1+x2)/(z1+z2)*tgα0+invα0
Dla zachowania luzu wierzchołkowego należy ściąć głowy o km=ap+am
Mamy do rozdysponowania x1+x2=const, w praktyce x2=0 lub x1=0 lub x1=x2.
Uszkodzenia kół zębatych
-rysy hartownicze -pęknięcia
-uszkodzenia interferencyjne -występują przy nadmiernym nacisku pomiędzy stopą a głową
-odpryski - są inicjowane przez rysy i pęknięcia w utwardzonej warstwie
-wytarcia i wydarcia- są wynikiem obecności twardych zanieczyszczeń pomiędzy zębami
-zatarcie i przegrzanie - powstaje przy zaniku smaru i metalicznym styku zęba
-piting- ma postać piramidkowych ubytków na powierzchniach bocznych jest inicjowany przez pęknięcia w które wszedł olej
-zgniot i złamanie - uszkodzenie nieutwardzonych zębów o zbyt małej granicy plastyczności
Obliczanie przekładni otwartych - na złamanie zęba, zamkniętej na naciski powierzchniowe.