Politechnika Świętokrzyska w Kielcach |
||||
Laboratorium Metrologii |
||||
Ćwiczenie nr 8
|
Temat ćwiczenia: Badanie licznika indukcyjnego |
Zespół : Michał Rajczykowski Krzysztof Pocheć Hubert Zagdański |
||
Data wykonania ćwiczenia: 26.XI.1998 |
Data oddania ćwiczenia: 3.XII .1998
|
Ocena: |
Wydział Elektrotechniki, Automatyki i Informatyki |
|
1) Cel ćwiczenia:
Celem ćwiczenia było sprawdzenie dokładności pomiarów mocy licznikiem 1-fazowym indukcyjnym. Zbadania wpływu różnych wartościach prądu obciążenia oraz różnych wartościach cos(ϕ), na dokładność pomiaru mocy.
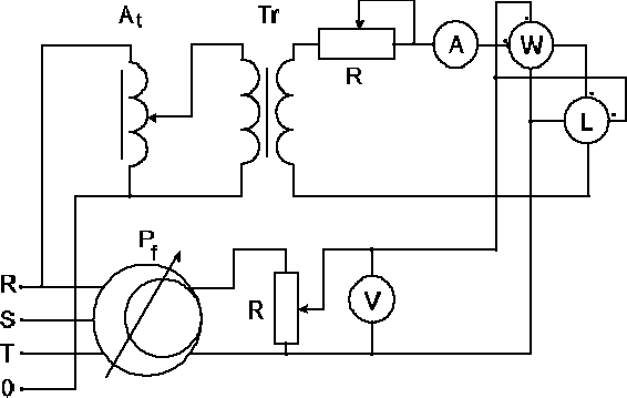
2)Schemat pomiarowy:

3)Wykaz przyrządów i elementów:
-watomierz ferrodynamiczny kl 0.5 UN =400[V] IN =10[A]
-amperomierz elektromagnetyczny kl 0.5
-woltomierz elektromagnetyczny kl 0.5
-autotransformator
-przesuwnik fazowy
-licznik jednofazowy f=50[Hz] UN =220[V] IN =5[A] Cl=1200[obr/kWh]
4)Część teoretyczna:
Licznik energii elektrycznej jest przyrządem służącym do pomiaru zużycia energii elektrycznej. W obwodach jednofazowych prądu przemiennego powszechnie używane są liczniki działające na zasadzie mierników indukcyjnych dwustrumieniowych.
Organ ruchomy ( tarcza aluminiowa ) wykonuje w okresie pomiaru energii pewną liczbę obrotów N, proporcjonalną do wartości zmierzonej energii.
Jeśli powyższe równanie podzieli się obustronnie przez czas, powstanie zależność:
czyli
z której wynika, że dla prawidłowej pracy licznika jest konieczne, aby prędkość obrotowa organu ruchomego była proporcjonalna do mocy czynnej prądu P. Przy spełnieniu tego warunku, w czasie pomiaru t , tarcza licznika wykona nt obrotów, a energia dostarczona wyniesie Pt, czyli
Współczynnik proporcjonalności między rzeczywiście wykonaną liczbą obrotów N a wartością energii przeprowadzonej przez licznik W nazywa się stałą rzeczywistą licznika.
Stała rzeczywista zależy od właściwości pomiarowych przetwornika elektromechanicznego i może być zmieniana w pewnych granicach przez odpowiednie nastawienie. Może ulegać również zmianom pod wpływem zmieniających się warunków pomiaru lub na skutek zużycia przyrządu Rzeczywista stałą licznika wyznaczaliśmy doświadczalnie w specjalnym układzie pomiarowym obciążając licznik określoną mocą P. i mierząc czas t, w jakim organ ruchomy wykona całkowitą liczbę obrotów N.
Stała znamionowa licznika CLN jest to liczba obrotów jaką musi wykonać organ ruchomy aby stan liczydła zmienił się o jedną jednostkę. Jest ona podana na tabliczce znamionowej licznika i powinna jak najmniej odbiegać od stałej rzeczywistej.
Aby przetwornik wskazywał proporcjonalnie do wartości mocy czynnej musi wytwarzać następujący moment napędowy:
a więc
Tarczę licznika przenikają dwa przemienne strumienie magnetyczne:
proporcjonalny do napięcia:
proporcjonalny do prądu:
Oddziaływując na siebie wytwarzają moment napędowy wyrażający się wzorem:
gdziejest kątem przesunięcia fazowego między strumieniami
Z powyższych zależności wynika ostatecznie, że przy ustalonej pulsacji moment napędowy wynosi:
Innym ważnym momentem stojącym na straży naszego portfela jest moment hamujący. Wytwarzany jest przez magnes trwały obejmujący nabiegunnikami tarczę obrotową. Podczas obracania się indukują się w tarczy prądy wirowe, które współdziałają ze strumieniem magnetycznymdając moment hamujący.
Poprzez regulację promienia r lub strumienia , za pośrednictwem bocznika magnetycznego, dostraja się stałą rzeczywistą licznika do stałej znamionowej.
Przy stałej prędkości obrotowej tarczy momenty hamujący i napędowy pozostają w równowadze.
Błąd pomiaru energii wyraża się wzorem:
W praktyce dla wyznaczania błędu wprowadza się czas t0 potrzebny do wykonania przyjętej liczby obrotów N tarczy licznika obliczony ze stałej licznika oraz czas t , w którym tarcza wirnika wykonała N obrotów przy stałej wartości mocy, czyli:
Czas t0 obliczamy ze wzoru:
Za najważniejsze przyczyny błędów powstających w czasie pomiaru uważa się:
-niedokładne wyregulowanie kąta między strumieniami, dodatkowe momenty hamujące, tarcie ,bieg jałowy,częstotliwość odmienna od normalnej.
Błędy wynikające z niespełnienia warunku są nieduże dla , zwiększają się natomiast znacznie wraz ze wzrostem kąta przesunięcia fazowego. Dlatego tez licznik musi być wzorcowany przy i .
Dodatkowe momenty hamujące daje współdziałanie wzbudzonych prądów pod biegunami ustroju napięciowego i prądowego z ich własnymi strumieniami magnetycznymi i . zależą one od i oraz od prędkości obrotowej tarczy. Wpływ dodatkowego momentu hamującego od można łatwo usunąć podczas wzorcowania licznika przez odpowiednie ustawienie magnesu trwałego, ponieważ napięcie licznika jest stale. Wpływ dodatkowego momentu hamującego obwodu prądowego zmniejsza się poprzez zastosowanie bocznika magnetycznego rdzenia prądowego nasycającego się dla określonych natężeń prądu. Pełna kompensacja dodatkowego momentu hamującego jest niemożliwa ze względu na zmiany obciążenia.
Wpływ tarcia eliminuje się poprzez wytworzenie dodatkowego momentu napędowego, który powstaje w wyniku naruszenia symetrii strumienia napięciowego . Asymetrie tą osiąga się np. przez wkręcenie w rdzeń metalowej śrubki.
Wzrost napięcia poza wartość nominalną może spowodować uruchomienie tarczy licznika, mimo że obwód prądowy jest rozwarty. Jest to tzw. bieg jałowy Momentem napędowym powodującym bieg jałowy , jest moment , który służy do kompensacji tarcia. W celu zapobieżenia biegowi jałowemu wyposaża się licznik w cienki stalowy drucik w formie chorągiewki umocowanej poziomo do osi tarczy.
Zmiany częstotliwości sieci mają duży wpływ na wskazania licznika ale tych nie da się wyeliminować.
4)Tabela pomiarowa:
cosϕ |
α |
CV |
U |
α |
CA |
I |
α |
CW |
P |
t0 |
t |
N |
δo |
||||||||||||||
- |
dz |
V/dz |
V |
dz |
A/dz |
A |
dz |
W/dz |
W |
s |
s |
- |
% |
||||||||||||||
1 |
220 |
1 |
220 |
10 |
0.05 |
0,5 |
22 |
20 |
110 |
54,54 |
50 |
2 |
9,08 |
||||||||||||||
1 |
220 |
1 |
220 |
20 |
0.05 |
1 |
44 |
20 |
220 |
54,54 |
48 |
4 |
13,62 |
||||||||||||||
1 |
220 |
1 |
220 |
50 |
0.05 |
2,5 |
55 |
20 |
550 |
27,27 |
21 |
5 |
29,85 |
||||||||||||||
1 |
220 |
1 |
220 |
50 |
0.1 |
5 |
100 |
20 |
1000 |
30 |
25 |
10 |
20 |
||||||||||||||
1 |
220 |
1 |
220 |
100 |
0.1 |
10 |
55 |
40 |
2200 |
13,63 |
11,5 |
10 |
18,52 |
||||||||||||||
0.5 |
220 |
1 |
220 |
10 |
0.05 |
0,5 |
14 |
5 |
70 |
42,8 |
48 |
1 |
-10,83 |
||||||||||||||
0.5 |
220 |
1 |
220 |
20 |
0.05 |
1 |
26 |
5 |
130 |
46,15 |
40 |
2 |
15,37 |
||||||||||||||
0.5 |
220 |
1 |
220 |
50 |
0.05 |
2.5 |
55 |
5 |
225 |
66,67 |
45 |
5 |
48,15 |
||||||||||||||
0.5 |
220 |
1 |
220 |
50 |
0.1 |
5 |
54 |
10 |
540 |
27,78 |
23 |
5 |
20,78 |
||||||||||||||
0.5 |
220 |
1 |
220 |
100 |
0.1 |
10 |
53 |
20 |
1060 |
28,3 |
23 |
10 |
23,04 |
||||||||||||||
5)Wzory i przykładowe obliczenia:
Wyznaczenie błędu licznika :
to=![]()
, to= ![]()
= 30 s
δL=![]()
*100% , δL=![]()
*100%= 20 %

6)Wykresy:
7) Uwagi i wnioski:
Celem ćwiczenia zbadanie dokładności pomiarów licznikiem jednofazowym . Pomiarów dokonywaliśmy przy wartościach kąta ϕ=0,5 i 1. Kąt ten jest to kąt przesunięcia między φ1 i φ2. . Wartość błędu została wyliczona na podstawie pomiarów czasu (przy pomocy stopera) oraz czasu wyliczonego dla założonej liczby obrotów tarczy licznika. Wartość wyliczonych błędów osiągnęły większe wartości dla cosϕ=0,5. Największa wartość wystąpiła przy wartości 50% prądu znamionowego ,czyli przy 2,5 A - niemal 50%. Jest to bardzo dużo. Dla cos ϕ=1 największa wartość też wystąpiła przy 50 % In co widać na wykresie. Na błedy te składają się między innymi: różnicami w samym pomiarze mocy odczytywanej z watomierza a wyliczonej na podstawie wskazań woltomierza i amperomierza, błędami odczytu czasu ze stopera. Dla wartości 10% In przy cosϕ=0,5 błąd pomiaru jest ujemny tzn. że wartość wyliczona jest mniejsza od odczytanej ze stopera. Dla wartości 100 i 200 % In wartości błędów w obu przypadkach są bardzo podobne.
